Червячные редукторы одноступенчатые: Ч-100., Ч-125., Ч-160.
ЗВОНИТЕ! В НАЛИЧИИ, СКЛАД.
Червячные редукторы Ч-100, Ч-125, Ч-160 применение червячных редукторов этой серии нашли широкое применение в отраслях машиностроения, сельского хозяйства, нефтепереработки. Назначение червячных редукторов— передача крутящего момента и понижение вращения выходного вала.
Прочный корпус изготовленный из чугуна имеет радиаторные "ребра" охлаждения. Дополнительно редукторы могут комплектоваться вентилятором охлаждения, вентилятор крепится к корпусу с защитным кожухом.
Максимальная частота вращения выходного вала 1800 об/мин.
Условия эксплуатации редукторов
- Червячный редуктор используется в условиях постоянной и переменной нагрузки, а также при реверсивной работе, в зависимости от поставленной задачи.
- Червячный редуктор при определенной заправки соответствующего масла, расчитан на работу в температурном режими от -40°С до +50°С;
- Конструктивность червячного редуктора позволяет работу в реверсивном режиме.
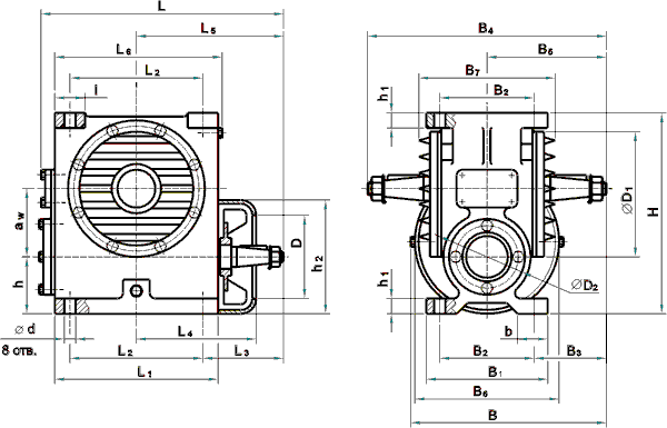
Габаритные размеры




Характеристики червячного редуктора
|
Обознач. размеров |
Тип редуктора |
Обознач. размеров |
Тип редуктора |
||||
|---|---|---|---|---|---|---|---|
|
Ч-100 |
Ч-125 |
Ч-160 |
Ч-100 |
Ч-125 |
Ч-160 |
||
|
aw |
100 |
125 |
160 |
h1 |
18 |
22 |
30 |
|
L |
373 |
437 |
551 |
h2 |
179 |
217 |
271 |
|
L1 |
240 |
275 |
350 |
D |
140 |
165 |
100 |
|
L2 |
200 |
230 |
300 |
D1 |
220 |
275 |
340 |
|
L3 |
125 |
146 |
195 |
D2 |
150 |
170 |
210 |
|
L4 |
177 |
210 |
245 |
B |
341 |
363 |
434 |
|
L5 |
225 |
261 |
345 |
B1 |
175 |
230 |
280 |
|
L6 |
257 |
290 |
373 |
B2 |
140 |
190 |
230 |
|
1 |
40 |
45 |
70 |
В3 |
155 |
135 |
165 |
|
d |
19 |
19 |
22 |
В4 |
450 |
460 |
560 |
|
b |
45 |
60 |
70 |
B5 |
225 |
230 |
280 |
|
Н |
312 |
396 |
500 |
В6 |
218 |
246 |
286 |
|
h |
100 |
111 |
140 |
В7 |
217 |
242 |
278 |
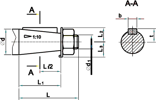
Примечание: Редукторы червячные Ч100 – Ч160 по умолчанию комплектуются коническими входными/выходными валами. Возможно цилиндрическое исполнение входного/выходного вала.
|
Тип |
Выходные концы валов |
L |
L 1 |
L2 |
L3 |
b |
d |
d1 |
t |
m |
|
|---|---|---|---|---|---|---|---|---|---|---|---|
|
Ч-100 |
конические |
Вал быстроходный |
80 |
58 |
24 |
18 |
6 |
32 |
M20xl,5-8g |
17,05 |
- |
|
Ч-125 |
80 |
58 |
24 |
18 |
6 |
32 |
M20xl,5-8g |
17,05 |
- |
||
|
Ч-160 |
110 |
82 |
28 |
20 |
10 |
40 |
M24x2- 8g |
20,95 |
- |
||
|
Ч-100 |
Вал тихоходный |
110 |
82 |
32 |
25 |
12 |
45 |
М30х2- 8g |
23,45 |
- |
|
|
Ч-125 |
110 |
82 |
38 |
30 |
14 |
55 |
МЗбх3 -8g |
28,95 |
- |
||
|
Ч-160 |
140 |
105 |
50 |
40 |
18 |
70 |
М48х3- 8g |
36,38 |
- |
||
|
Ч-100 |
цилиндрические |
Вал быстроходный |
80 |
- |
- |
- |
10 |
32 |
- |
35 |
- |
|
Ч-125 |
80 |
- |
- |
- |
10 |
32 |
- |
35 |
- |
||
|
Ч-160 |
110 |
- |
- |
- |
12 |
40 |
- |
43 |
- |
||
|
Ч-100 |
Вал тихоходный |
110 |
- |
- |
- |
14 |
45 |
- |
48,5 |
- |
|
|
Ч-125 |
110 |
- |
- |
- |
16 |
55 |
- |
59 |
- |
||
|
Ч-160 |
140 |
- |
- |
- |
20 |
70 |
- |
74,5 |
- |
||
|
Ч-100 |
Вал полый шлицевой |
205 |
90 |
57.5 |
- |
- |
45 |
46 |
|
2 |
|
|
Ч-125 |
230 |
110 |
60 |
- |
- |
55 |
60 |
|
2,5 |
||
|
Ч-160 |
275 |
130 |
72.5 |
- |
- |
70 |
72 |
|
2,5 | ||

|
U ном. |
Редуктор Ч-100 |
Редуктор Ч-125 |
Редуктор Ч-160 |
||||||||||||||||||
|---|---|---|---|---|---|---|---|---|---|---|---|---|---|---|---|---|---|---|---|---|---|
|
U фак. |
1500мин.-1 |
1000мин.-1 |
750мин.-1 |
U фак. |
1500мин.-1 |
1000мин.-1 |
750мин.-1 |
U фак. |
1500мин -1 |
1000мин.-1 |
750мин.-1 |
||||||||||
|
Мт Н.м |
КПД |
Мт Н.м |
КПД |
Мт Н.м |
КПД |
Мт Н.м |
КПД |
Мт Н.м |
КПД |
Мт Н.м |
КПД |
Мт Н.м |
КПД |
Мт Н.м |
КПД |
Мт Н.м |
КПД |
||||
|
8 |
7,75 |
380 |
0,93 |
426 |
0,92 |
477 |
0,91 |
8 |
659 |
0,93 |
758 |
0,92 |
826 |
0,91 |
8 |
1250 |
0,94 |
1400 |
0,93 |
1567 |
0,92 |
|
10 |
10 |
367 |
0,93 |
410 |
0,91 |
460 |
0,90 |
10 |
636 |
0,93 |
712 |
0,92 |
800 |
0,91 |
10,5 |
1153 |
0,93 |
1294 |
0,92 |
1450 |
0,91 |
|
12,5 |
12 |
374 |
0,92 |
420 |
0,90 |
470 |
0,89 |
13 |
626 |
0,92 |
700 |
0,91 |
785 |
0,89 |
13 |
1150 |
0,93 |
1290 |
0,91 |
1440 |
0,90 |
|
16 |
15,5 |
392 |
0,89 |
440 |
0,87 |
492 |
0,85 |
16 |
676 |
0,89 |
757 |
0,87 |
850 |
0,86 |
16 |
1390 |
0,91 |
1557 |
0,89 |
1743 |
0,88 |
|
20 |
20 |
389 |
0,87 |
414 |
0,85 |
464 |
0,83 |
20 |
653 |
0,88 |
730 |
0,86 |
820 |
0,84 |
21 |
1150 |
0,88 |
1290 |
0,86 |
1442 |
0,84 |
|
25 |
24 |
372 |
0,87 |
417 |
0,84 |
466 |
0,83 |
25 |
616 |
0,87 |
690 |
0,84 |
772 |
0,82 |
26 |
1110 |
0,87 |
1243 |
0,85 |
1392 |
0,83 |
|
31,5 |
31 |
400 |
0,70 |
448 |
0,66 |
500 |
0,63 |
32 |
800 |
0,81 |
890 |
0,78 |
1000 |
0,75 |
32 |
1600 |
0,83 |
1790 |
0,82 |
2000 |
0,79 |
|
40 |
40 |
387 |
0,78 |
433 |
0,74 |
485 |
0,71 |
40 |
692 |
0,79 |
715 |
0,76 |
870 |
0,73 |
42 |
1244 |
0,79 |
1360 |
0,76 |
1522 |
0,73 |
|
50 |
48 |
389 |
0,77 |
436 |
0,73 |
488 |
0,71 |
52 |
640 |
0,77 |
717 |
0,73 |
803 |
0,70 |
52 |
1168 |
0,73 |
1310 |
0,74 |
1465 |
0,71 |
|
63 |
64 |
313 |
0,69 |
350 |
0,64 |
396 |
0,60 |
60 |
610 |
0,76 |
683 |
0,71 |
765 |
0,68 |
66 |
1033 |
0,74 |
1157 |
0,70 |
1295 |
0,66 |
|
80 |
84 |
292 |
0,69 |
327 |
0,61 |
366 |
0,58 |
84 |
525 |
0,69 |
590 |
0,63 |
660 |
0,60 |
78 |
1092 |
0,74 |
1223 |
0,69 |
1370 |
0,64 |
|
Консольная нагрузка |
Рб; Н |
800 |
1200 |
1600 |
|||||||||||||||||
|
Рт; Н |
5500 |
8000 |
11000 |
||||||||||||||||||
|
Уровень звука |
ДБА |
80 |
80 |
80 |
|||||||||||||||||
|
Масса |
кг |
57 (44) |
88 |
157 |
|||||||||||||||||
где:
- U ном; U фак.- значения номинального и фактического передаточного числа;
- 1500мин-1; 1000мин-1; 750мин-1- величина частоты вращения вала;
- Мт – максимально допускаемый крутящий момент, Н•м;
- Рб – консольная нагрузка, которая приходится на середину шейки быстроходного вала, Н;
- Рт – консольная нагрузка, которая приходится на середину шейки тихоходного вала, Н;
В скобках приведена масса редуктора, заключенного в алюминиевый корпус.
ПРИМЕР УСЛОВНОГО ОБОЗНАЧЕНИЯ РЕДУКТОРА В ЗАКАЗЕ
Редуктор Ч-100-40-51-У3-В или Ч-160-20-52-Т, где:
- Ч — тип редуктора;
- 100 и 160 — межосевое расстояние, мм.;
- 40 и 20 — номинально передаточное число;
- 51 и 52 — вариант исполнения сборки;
- У3 и Т — климатическое исполнение и категория размещения;
- В — поставка редуктора с вентилятором (для режима работы — 1)
Компания "Приводная механика" предлагает червячные редукторы одноступенчатые: Ч-100., Ч-125., Ч-160. со складов в Липецке, Ярославле, Казани, Воронеже, Астрахани, а так же в Республике Крым, Ижевске и Челябинске. Лучшая складская программа, много позиций имеется в наличии, лучшие условия при доставке под заказ. Вы можете купить червячные редукторы одноступенчатые: Ч-100., Ч-125., Ч-160. с доставкой в любой регион через транспортную компанию на выбор. В компании "Приводная механика" всегда низкие цены на червячный мотор-редуктор. Наши специалисты окажут профессиональную консультацию и помогут подобрать необходимое оборудование.
