Мотор-редуктор NMRV
| ТИПОРАЗМЕР | |||||||||
| Наличие продукции на складе. | |||||||||
В редукторах серии NMRV, NMRW, MRV, CVR, CM, WR, IRW для передачи крутящего момента использует червячная передача. Редукторы этих марок зарекомендовали себя, как надежные, универсальные, изделия. Их компактные размеры, простота монтажа и замены сделали их популярными в сельском хозяйстве, животноводстве, рыбной и других отраслях.
Двух и трехступенчатые модели NMRV, CVR, CM, NMRW, MRV, WR, IRW
Редукторы, каталог которых очень обширен, могут отличаться по мощности двигателя и расположению передачи, находящейся сбоку, над или под зубчатым колесом. Механизм редуктора приводится в движение электродвигателем, в различных моделях устанавливаются двигатели мощностью от 0,12 до 5,5 кВт, хотя могут использоваться и другие силовые установки. В случае, когда нужна невысокая скорость крутящего вала при большом крутящем моменте, применяется двухступенчатый механизм, в исключительных случаях используются трехступенчатые модели.
Современный мотор-редуктор, характеристики которого зависят от рабочей нагрузки и типа смазки, имеет КПД, достигающий 92%, что является отличным показателем среди аналогичных устройств. Он неприхотлив и может эксплуатироваться достаточно долго при условии периодической смазки.
Благодаря своей конструкции, характеризуются плавностью и бесшумностью работы. К достоинствам также можно отнести компактность - данная конструкция будет значительно меньшего размера по сравнению с аналогичным редуктором с зубчатой передачей с одним и тем же передаточным числом. Характерной особенностью серии NMRV является свойство самоторможения.
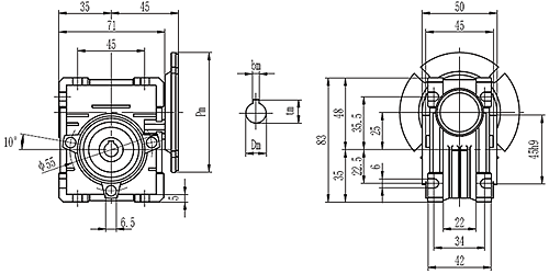
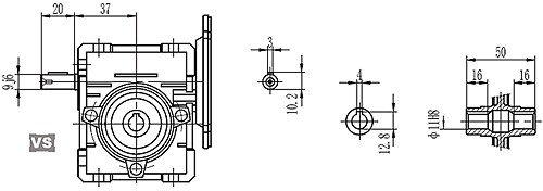
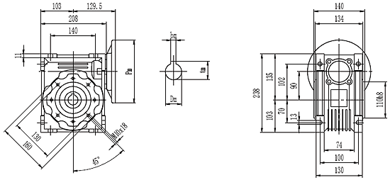
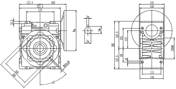
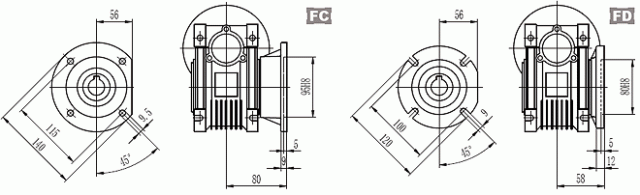
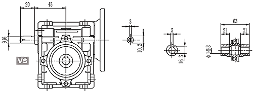
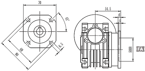
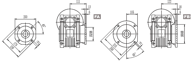
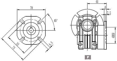
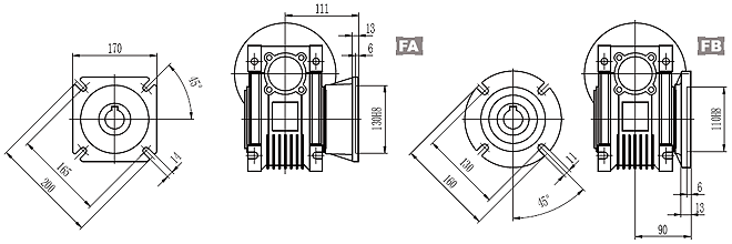
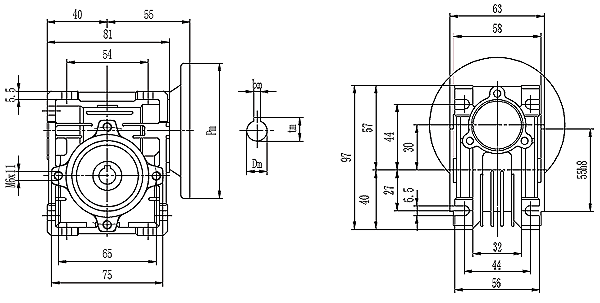
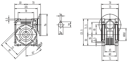
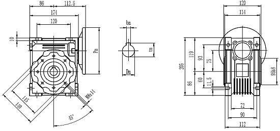
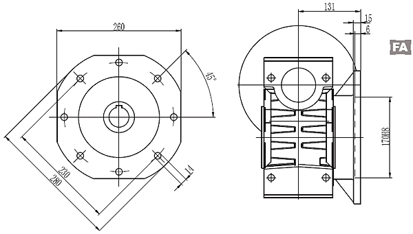
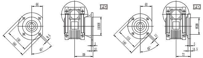
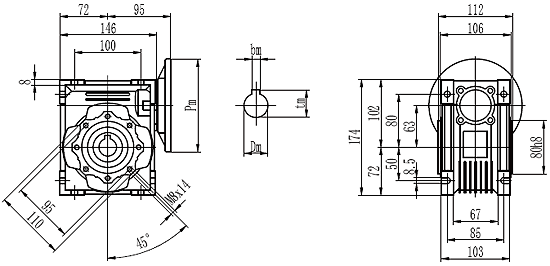
Благодаря универсальным присоединительным размерам редукторы NMRV, CVR, CM, NMRW, MRV, WR, IRW служат заменой вышедших из строя изделий других производителей. Они могут комплектоваться выходными односторонними и двухсторонними валами, выходными фланцами и реактивными штангами. Универсальный корпус дает возможность выполнять монтаж оборудования в любом монтажном положении. Корпус NMRV, CVR, CM, NMRW, MRV, WR, IRW 025-090 выполнен из легкосплавных металлов путем литья под давлением. Корпуса редукторов NMRV, CVR, CM, NMRW, MRV, WR, IRW 110-150 изготавливаются в чугунном корпусе тем самым обеспечивает высокую прочность всех элементов и составляющих частей.
На данный момент червячные наши изделия являются неотъемлемой частью оборудования, применяемого в различных отраслях промышленности таких как: легкая промышленность, оборудование для пищевой промышленности. Применение NMRV, CVR, CM, NMRW, MRV, WR, IRW в оборудовании сельскохозяйственного значения, и в строительной технике, используются они и в медицинском оборудовании и в подъемных механизмах различного назначения.
По своей стоимости, надежности и техническим возможностям данные изделия незаменимы во всех отраслях промышленного оборудования. В нашем отделе «Приводная Механика», Вы сможете заказать и купить червячный мотор-редуктора европейских и азиатских производителей. Мы предлагаем мотор-редукторы NMRV, CVR, CM, NMRW, MRV, WR, IRW различных типоразмеров мощностью до 30 кВт и с передаточным числом до 100:1. В продаже имеются также облегченные модели с алюминиевым корпусом. Если необходимо купить мотор-редуктор червячный без мотора, мы можем предложить разнообразные образцы отечественного и импортного производства.
|
M2 |
i |
P1 |
n2 |
Type |
Fr2 |
Fr1 |
Page |
|
6.5 |
5 |
0.22 |
280 |
NMRV030 |
597 |
150 |
Смотреть |
|
17 |
5 |
0.55 |
280 |
NMRV040 |
1149 |
250 |
Смотреть |
|
28 |
5 |
0.75 |
280 |
NMRV050 |
1577 |
350 |
Смотреть |
|
67 |
7.5 |
1.50 |
186.7 |
NMRV063 |
2359 |
500 |
Смотреть |
|
180 |
7.5 |
4.00 |
186.7 |
NMRV075 |
2785 |
700 |
Смотреть |
|
M2 |
i |
P1 |
n2 |
Type |
Fr2 |
Fr1 |
Page |
|
184 |
7.5 |
4.00 |
186.7 |
NMRV090 |
3081 |
900 |
Смотреть |
|
344 |
7.5 |
7.50 |
186.7 |
NMRV110 |
3893 |
1200 |
Смотреть |
|
348 |
7.5 |
7.5 |
186.7 |
NMRV130 |
5092 |
1500 |
Смотреть |
|
NMRV
|
PAM | N | M | P | D | |||||||||||
| IEC | 5 | 7.5 | 10 | 15 | 20 | 25 | 30 | 40 | 50 | 60 | 80 | 100 | ||||
| 025 | 56B14 | 50 | 65 | 80 | 9 | 9 | 9 | 9 | 9 | - | 9 | 9 | 9 | 9 | - | - |
| 030 | 63B5 | 95 | 115 | 140 |
11 |
11 | 11 | 11 | 11 | 11 | 11 | 11 | 11 | - | - | - |
| 63B14 | 60 | 75 | 90 | |||||||||||||
| 56B5 | 80 | 100 | 120 | 9 | 9 | 9 | 9 | 9 | 9 | 9 | 9 | 9 | 9 | 9 | - | |
| 56B14 | 50 | 65 | 80 | |||||||||||||
| 040 | 71B5 | 110 | 130 | 160 | 14 | 14 | 14 | 14 | 14 | 14 | 14 | 14 | - | - | - | - |
| 71B14 | 70 | 85 | 105 | |||||||||||||
| 63B5 | 95 | 115 | 140 | 11 | 11 | 11 | 11 | 11 | 11 | 11 | 11 | 11 | 11 | 11 | 11 | |
| 63B14 | 60 | 75 | 90 | |||||||||||||
| 56B5 | 80 | 100 | 120 | - | - | - | - | - | - | - | - | 9 | 9 | 9 | 9 | |
| 050 | 80B5 | 130 | 165 | 200 | 19 | 19 | 19 | 19 | 19 | 19 | 19 | - | - | - | - | - |
| 80B14 | 80 | 100 | 120 | |||||||||||||
| 71B5 | 110 | 130 | 160 | 14 | 14 | 14 | 14 | 14 | 14 | 14 | 14 | 14 | 14 | 14 | - | |
| 71B14 | 70 | 85 | 105 | |||||||||||||
| 63B5 | 95 | 115 | 140 | - | - | - | - | - | - | - | 11 | 11 | 11 | 11 | 11 | |
| 063 | 90B5 | 130 | 165 | 200 | - | 24 | 24 | 24 | 24 | 24 | 24 | - | - | - | - | - |
| 90B14 | 95 | 115 | 140 | |||||||||||||
| 80B5 | 130 | 165 | 200 | - | 19 | 19 | 19 | 19 | 19 | 19 | 19 | 19 | 19 | - | - | |
| 80B14 | 80 | 100 | 120 | |||||||||||||
| 71B5 | 110 | 130 | 160 | - | - | - | - | - | - | - | 14 | 14 | 14 | 14 | 14 | |
| 71B14 | 70 | 85 | 105 | |||||||||||||
| 075 | 100/112B5 | 180 | 215 | 250 | - | 28 | 28 | 28 | - | - | - | - | - | - | - | - |
| 100/112B14 | 110 | 130 | 160 | |||||||||||||
| 90B5 | 130 | 165 | 200 | - | 24 | 24 | 24 | 24 | 24 | 24 | 24 | - | - | - | - | |
| 90B14 | 95 | 115 | 140 | |||||||||||||
| 80B5 | 130 | 165 | 200 | - | - | - | - | 19 | 19 | 19 | 19 | 19 | 19 | 19 | 19 | |
| 80B14 | 80 | 100 | 120 | |||||||||||||
| 71B5 | 110 | 130 | 160 | - | - | - | - | - | - | - | - | 14 | 14 | 14 | 14 | |
| 090 | 100/112B5 | 180 | 215 | 250 | - | 28 | 28 | 28 | 28 | 28 | 28 | - | - | - | - | - |
| 100/112B14 | 110 | 130 | 160 | |||||||||||||
| 90B5 | 130 | 165 | 200 | - | 24 | 24 | 24 | 24 | 24 | 24 | 24 | 24 | 24 | - | - | |
| 90B14 | 95 | 115 | 140 | |||||||||||||
| 80B5 | 130 | 165 | 200 | - | - | - | - | - | - | - | 19 | 19 | 19 | 19 | 19 | |
| 80B14 | 80 | 100 | 120 | |||||||||||||
| 110 | 132B5 | 230 | 265 | 300 | - | 38 | 38 | 38 | 38 | - | - | - | - | - | - | - |
| 100/112B5 | 180 | 215 | 250 | - | 28 | 28 | 28 | 28 | 28 | 28 | 28 | 28 | 28 | - | - | |
| 90B5 | 130 | 165 | 200 | - | - | - | - | - | 24 | 24 | 24 | 24 | 24 | 24 | 24 | |
| 80B5 | 130 | 165 | 200 | - | - | - | - | - | - | - | - | - | - | 19 | 19 | |
| 130 | 132B5 | 230 | 265 | 300 | - | 38 | 38 | 38 | 38 | 38 | 38 | 38 | - | - | - | - |
| 100/112B5 | 180 | 215 | 250 | - | - | - | - | - | 28 | 28 | 28 | 28 | 28 | 28 | 28 | |
| 90B5 | 130 | 165 | 200 | - | - | - | - | - | - | - | - | - | - | 24 | 24 | |
| Output | ||
| D H8 | b | t |
|
18 (19) |
6 (6) |
20.8 (21.8) |
| Output | ||
| D H8 | b | t |
|
25 (24) |
8 (8) |
28.3 (27.3) |
| Output | ||
| D H8 | b | t |
|
25 (28) |
8 (8) |
28.3 (31.3) |
| Output | ||
| D H8 | b | t |
|
28 (35) |
8 (10) |
31.3 (38.3) |
| Output | ||
| D H8 | b | t |
|
35 (38) |
10 (10) |
38.3 (41.3) |
