Червячный редуктор Ч-80
Мы предлагаем мотор-редукторы червячные различных типоразмеров мощностью до 15 КВт и с передаточным числом до 100:1. , облегченные модели с алюминиевым корпусом. Если необходимо купить редуктор червячный без мотора, мы можем предложить разнообразные образцы отечественного производства.
ЗВОНИТЕ! В НАЛИЧИИ, СКЛАД.
Редукторы червячные одноступенчатые универсальные обдуваемые Тип Ч-80. Ряд редукторов обеспечивает крутящие моменты на тихоходном валу 180...1600 Н-м, соответсвующее частоте вращения быстроходного вала 1500 об/мин в диапазоне передаточных чисел 8...80.
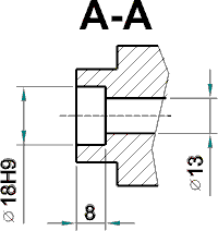
Габаритные и присоединительные размеры



Варианты компоновки редуктора


Технические характеристики
|
Номи- нальные переда- точные числа Uном. |
Значения допустимых крутящих моментов на выходном валу, к.п.д. и термической мощности при частоте вращения входного вала n, об/мин. |
Допускаемая консольная нагрузка на вале , Н |
|||||||||
|---|---|---|---|---|---|---|---|---|---|---|---|
|
750 |
1000 |
1500 |
входном |
выходном |
|||||||
|
Мт, Н м |
h |
Nт, квт |
Мт, Н м |
h |
Nт, квт |
Мт, Н м |
h |
Nт, квт |
|||
|
8,0 |
280 |
0,89 |
3,1 |
250 |
0,90 |
3,6 |
212 |
0,91 |
4,6 |
500 |
4000 |
|
10,0 |
250 |
0,88 |
2,2 |
224 |
0,89 |
2,6 |
190 |
0,90 |
3,4 |
||
|
12,5 |
250 |
0,86 |
1,8 |
230 |
0,87 |
2,2 |
195 |
0,89 |
2,8 |
||
|
16,0 |
280 |
0,83 |
1,7 |
250 |
0,85 |
1,9 |
218 |
0,86 |
2,5 |
||
|
20,0 |
243 |
0,79 |
1,2 |
224 |
0,81 |
1,5 |
195 |
0,84 |
1,9 |
||
|
25,0 |
243 |
0,78 |
1,0 |
224 |
0,79 |
1,2 |
195 |
0,83 |
1,5 |
||
|
31,5 |
300 |
0,72 |
1,1 |
280 |
0,75 |
1,0 |
250 |
0,78 |
1,7 |
||
|
40,0 |
243 |
0,67 |
0,7 |
218 |
0,71 |
0,9 |
195 |
0,73 |
1,1 |
||
|
50,0 |
243 |
0,65 |
0,6 |
230 |
0,66 |
0,8 |
206 |
0,71 |
0,9 |
||
|
63,0 |
224 |
0,60 |
0,5 |
212 |
0,62 |
0,6 |
190 |
0,64 |
0,8 |
||
|
80,0 |
200 |
0,55 |
0,4 |
190 |
0,58 |
0,5 |
175 |
0,61 |
0,6 |
||
Пример условного обозначения при заказе
Редуктор Ч-80-40-52-1-2 ВУЗ, ТУ2-056-181-79, что означает:
редуктор червячный одноступенчатый универсальный типа Ч с межосевым расстоянием 80 мм, номинальным передаточным числом 40, вариантом сборки 52, с расположением червяка под колесом (вариант 1 по расположению червячной пары), вариантом установки с лапами 2, с вентилятором В, климатическом исполнении У, категорией размещения 3.
Масса редуктора – 26,1 кг. Объем масла - 0,85-1,2 л.
Пример условного обозначения в заказе: Редуктор Ч-80-40-52-1-2 ВУ3
- Ч - редуктор червячный одноступенчатый универсальный;
- 80 - межосевое расстояние, мм;
- 40 - номинальное передаточное число;
- 52 - вариант сборки;
- 1 -вариант расположения червячной пары;
- 2 - вариант расположения лап;
- В – поставка редуктора с вентилятором;
- У - климатическое исполнение;
- 3 - категория размещения.
Компания "Приводная механика" предлагает червячный редуктор Ч-80 со складов в Липецке, Ярославле, Казани, Воронеже, Астрахани, а так же в Республике Крым, Ижевске и Челябинске. Лучшая складская программа, много позиций имеется в наличии, лучшие условия при доставке под заказ. Вы можете купить червячный редуктор Ч-80 с доставкой в любой регион через транспортную компанию на выбор. В компании "Приводная механика" всегда низкие цены на червячный мотор-редуктор. Наши специалисты окажут профессиональную консультацию и помогут подобрать необходимое оборудование.
