Переключатель потока VPT
Барабанный переключатель потока VPT эффективно работает в пневмотранспортных системах с любым уровнем давления — низким, средним и высоким. Применяется для пневматических линий с давлением не более 3,5 Бар или для вакуумной транспортировки с давлением не более 0,5 Бар. Может использоваться для транспортировки абразивных порошков, гранул, а также зерна.Устройство
Переключатель потока VPT состоит из корпуса с крышками из специально обработанного для повышения твердости алюминиевого сплава и внутреннего барабана с двумя трубами, проводящими продукт. Внутренний барабан приводится в движение с помощью линейного пневматического привода с концевыми выключателями в защитном корпусе IP67. Оснащается продувными сальниковыми уплотнениями в двух версиях: исполнение до 1 Бар и исполнение до 3,5 Бар. Манометр и регулятор давления в комплекте.
Возможна поставка во взрывозащищенном исполнении ATEX 2014/34/EU. (1D внутренняя зона – 2GD / 3GD внешняя зона)
Универсальность
Благодаря возможности изготовить внутренние проводящие трубы (части контактирующие c продуктом) из нескольких материалов (алюминиевый сплав, закаленная сталь, нержавеющая сталь) переключатель VPT потока может применяться для решения задач транспортировки самых разнообразных продуктов.
ЗАДАТЬ ВОПРОС ИЛИ ЗАКАЗАТЬ
ЗВОНИТЕ! В НАЛИЧИИ, СКЛАД.
Мы свяжемся с вами для уточнения формы оплаты и способа доставки заказа
ЗВОНИТЕ! В НАЛИЧИИ, СКЛАД.
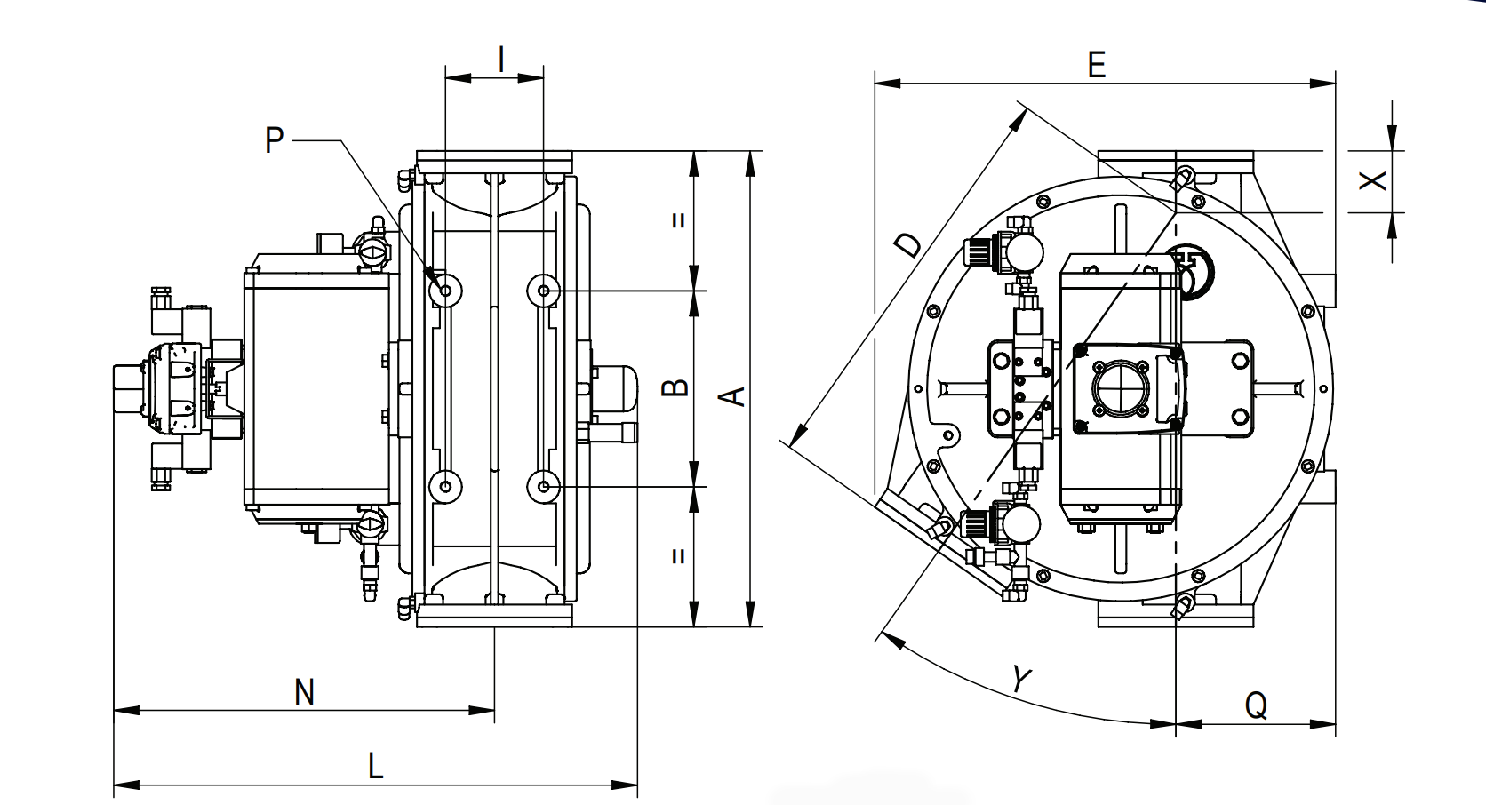
| Тип | A | B | D | E | ØF | ØG | ØH | I | L | ØM | N | P | Q | X | Y | Вес |
|---|---|---|---|---|---|---|---|---|---|---|---|---|---|---|---|---|
| 65 | 378 | 160 | 321 | 360 | 128 | 105 | 64 | 75 | 506 | 9 | 379 | M10 | 123 | 57 | 35° | 30 |
| 80 | 510 | 210 | 443 | 494 | 166 | 140 | 83 | 105 | 561 | 11 | 408 | M12 | 171 | 66 | 35° | 55 |
| 100 | 510 | 210 | 443 | 494 | 166 | 140 | 98 | 105 | 561 | 11 | 408 | M12 | 171 | 66 | 35° | 55 |
| 120 | 615 | 265 | 540 | 598 | 192 | 165 | 123 | 135 | 613 | 11 | 440 | M14 | 209,5 | 75 | 35° | 70 |
| 150 | 645 | 300 | 470 | 590 | 220 | 195 | 148 | 150 | 673 | 11 | 490 | M14 | 206,5 | 202 | 40° | 100 |
| 200 | 865 | 395 | 625 | 790 | 295 | 265 | 198 | 200 | 760 | 13 | 515 | M16 | 275 | 270 | 40° | -- |
Компания "Приводная механика" предлагает переключатель потока VPT со складов в Липецке, Ярославле, Казани, Воронеже, Астрахани, а так же в Республике Крым, Ижевске и Челябинске. Лучшая складская программа, много позиций имеется в наличии, лучшие условия при доставке под заказ. Вы можете купить переключатель потока VPT с доставкой в любой регион через транспортную компанию на выбор. В компании "Приводная механика" всегда низкие цены на затворы. Наши специалисты окажут профессиональную консультацию и помогут подобрать необходимое оборудование.
