Редукторы червячные 2Ч40-2Ч63-2Ч80
Редуктор обеспечивает крутящий момент на тихоходном валу 27...260 Н-м, в диапазоне передаточных чисел 8...80.
ЗВОНИТЕ! В НАЛИЧИИ, СКЛАД.
Применение мотор-редукторов
нагрузка постоянная и переменная в пределах номинального крутящего момента; вращение валов в реверсивном движении;
климатические исполнения У3 и Т2 по ГОСТ 15150 при работе на высоте над уровнем моря до 1000 м, допускается работа мотор-редуктора на высоте более 1000 м над уровнем моря при соблюдении требований ГОСТ 183;
внешняя среда - неагрессивная, невзрывоопасная, с содержанием непроводящей пыли до 10 мг/м3. предназначены для работы от сети переменного тока частотой 50 или 60 Гц, напряжением 220 или 380 В, или, по согласованию с потребителем, на другие стандартные напряжения
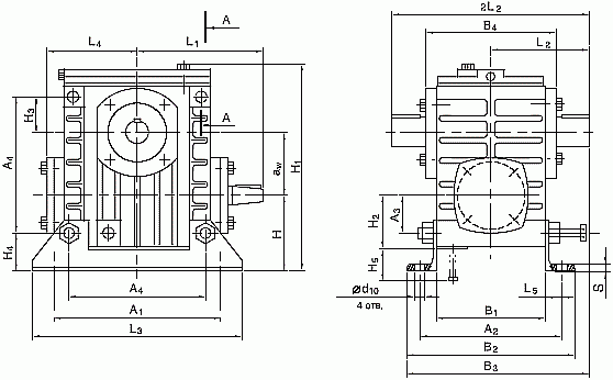
Габаритные и присоединительные размеры
РИС 1

|
Типоразмер редуктора |
aw |
A1 |
A2 |
A3 |
A4 |
B1 |
B2 |
B3 |
B4 |
H |
H1 |
H2 |
H3 |
H4 |
|---|---|---|---|---|---|---|---|---|---|---|---|---|---|---|
|
2Ч-40 |
40 |
150 |
140 |
35 |
105 |
100 |
164 |
182 |
120 |
72 |
180 |
55 |
30 |
37 |
|
2Ч-63 |
63 |
180 |
165 |
42 |
150 |
125 |
197 |
219 |
145 |
82 |
225 |
59 |
45 |
40 |
|
2Ч-80 |
80 |
225 |
185 |
50 |
180 |
140 |
212 |
250 |
165 |
92 |
267 |
75 |
50 |
42 |
|
Типоразмер редуктора |
H5 |
L1 |
L2 |
L3 |
L4 |
L5 |
b1 |
b2 |
d1 |
d2 |
d3 |
d4 |
|---|---|---|---|---|---|---|---|---|---|---|---|---|
|
2Ч-40 |
115 |
100 |
90 |
180 |
75 |
32 |
3 |
6 |
16 |
18 |
14,6 |
М5 |
|
2Ч-63 |
155 |
145 |
120 |
220 |
100 |
36 |
4 |
8 |
22 |
28 |
20,2 |
М8 |
|
2Ч-80 |
190 |
160 |
145 |
260 |
120 |
36 |
5 |
10 |
25 |
35 |
22,9 |
М8 |
|
Типоразмер редуктора |
d5 |
d6 |
d7 |
d8 |
d9 |
d10 |
h1 |
h2 |
l1 |
l2 |
l3 |
l4 |
l5 |
l6 |
|---|---|---|---|---|---|---|---|---|---|---|---|---|---|---|
|
2Ч-40 |
М5 |
10,5 |
16 |
23 |
60 |
13 |
3 |
6 |
28 |
28 |
15 |
15 |
8 |
72 |
|
2Ч-63 |
М8 |
10,5 |
16 |
33 |
70 |
13 |
4 |
7 |
36 |
42 |
20 |
20 |
8 |
68 |
|
2Ч-80 |
М8 |
12,5 |
18 |
41 |
90 |
15 |
5 |
8 |
42 |
58 |
20 |
20 |
8 |
64 |
|
Типоразмер редуктора |
l7 |
l8 |
s |
t1 |
t2 |
эвольвентные шлицы ГОСТ 6033-80 |
объем масла,л |
масса,кг |
|---|---|---|---|---|---|---|---|---|
|
2Ч-40 |
20 |
112 |
4 |
1,8 |
14,5 |
22х1,5х7Н |
0,18…0,3 |
6,7 |
|
2Ч-63 |
20 |
108 |
5 |
2,5 |
24 |
32х1,5х8Н |
0,3…0,7 |
13,1 |
|
2Ч-80 |
26 |
116 |
5 |
3 |
30 |
40х1,5х8Н |
0,5…1,0 |
18,6 |
РИС 2

РИС 3

РИС 4

РИС 5

РИС 6

РИС 7

ТЕХНИЧЕСКИЕ ХАРАКТЕРИСТИКИ РЕДУКТОРА ЧЕРВЯЧНОГО 2Ч-40, 2Ч-63, 2Ч-80
|
U ном. |
2Ч-40 |
2Ч-63 |
2Ч-80 |
||||||
|---|---|---|---|---|---|---|---|---|---|
|
U фак. |
1500 об/мин. |
U фак. |
1500 об/мин. |
U фак. |
1500 об/мин. |
||||
|
Мт Н.м |
η |
Мт Н.м |
η |
Мт Н.м |
η |
||||
|
8 |
7,75 |
28 |
0,87 |
7,75 |
105 |
0,89 |
7,75 |
210 |
0,90 |
|
10 |
9,75 |
28 |
0,85 |
9,75 |
100 |
0,88 |
10 |
190 |
0,89 |
|
12,5 |
12,25 |
26 |
0,83 |
12,75 |
93 |
0,88 |
12,25 |
200 |
0,88 |
|
16 |
15,5 |
28 |
0,81 |
15,5 |
110 |
0,84 |
15,5 |
210 |
0,85 |
|
20 |
19,5 |
28 |
0,76 |
19,5 |
104 |
0,83 |
20 |
210 |
0,83 |
|
25 |
24,5 |
26 |
0,73 |
25,5 |
95 |
0,81 |
25,5 |
210 |
0,82 |
|
31,5 |
31 |
32 |
0,70 |
31 |
116 |
0,74 |
31 |
260 |
0,77 |
|
40 |
39 |
29 |
0,63 |
39 |
110 |
0,73 |
39 |
240 |
0,72 |
|
50 |
49 |
28 |
0,60 |
51 |
100 |
0,68 |
51 |
240 |
0,71 |
|
63 |
64 |
26 |
0,58 |
63 |
93 |
0,62 |
64 |
200 |
0,64 |
|
80 |
- |
- |
- |
83 |
83 |
0,60 |
83 |
170 |
0,61 |
ПРИМЕР УСЛОВНОГО ОБОЗНАЧЕНИЯ ПРИ ЗАКАЗЕ
Редуктор 2Ч-80-31,5-56-2-У2 С, где:
- 2Ч - тип редуктора
- 80 - межосевое расстояние
- 31,5 - номинальное передаточное число
- 56 - исполнение по варианту сборки по ГОСТ 20373-80
- 2 - исполнение по схеме расположения червячной пары
- У2 - исполнение для умеренного климата, категории размещения 2 по ГОСТ 15150-69
- С - индекс, определяющий наличие смазки "Трансол-200" в редукторе
Компания "Приводная механика" предлагает редукторы червячные 2Ч40-2Ч63-2Ч80 со складов в Липецке, Ярославле, Казани, Воронеже, Астрахани, а так же в Республике Крым, Ижевске и Челябинске. Лучшая складская программа, много позиций имеется в наличии, лучшие условия при доставке под заказ. Вы можете купить редукторы червячные 2Ч40-2Ч63-2Ч80 с доставкой в любой регион через транспортную компанию на выбор. В компании "Приводная механика" всегда низкие цены на червячный мотор-редуктор. Наши специалисты окажут профессиональную консультацию и помогут подобрать необходимое оборудование.
