Шлюзовой / секторный питатель
Шлюзовой питатель представляет собой ключевой элемент в технологических линиях, где транспортировка сыпучих и гранулированных материалов осуществляется с помощью пневматических или механических систем. Он устанавливается в качестве механизма разделяющего среду с нормальным и повышенным давлением, позволяя осуществлять подачу материала с минимальными утечками воздуха. Простая и надёжная конструкция шлюзового питателя способствует его активному применению во многих производственных и перерабатывающих отраслях. Наиболее часто шлюзовой питатель можно встретить на предприятиях зерноперерабатывающей и мукомольной промышленности, использующих пневматическую сепарацию и транспортировку продукта.
Шлюзовой питатель работает следующим образом: из расходного бункера материал поступает в верхнее (входное) отверстие питателя, где попадает в полость роторного механизма, ограниченную наклонными стенками. При повороте ротора материал из полости перемещается в нижнюю часть питателя, где происходит его выгрузка. Подключённый к нижней полости шлюзового питателя сжатый воздух, аэрирует поступивший продукт и транспортирует его по трубе пневмотранспорта. Дальнейшее вращение роторного механизма вызывает захват некоторой части аэрированной среды с повышенным давлением. Выравнивание давления в этих полостях осуществляется через специальные резьбовые отверстия на боковой части корпуса шлюзового питателя, проходя через которые происходит сброс избыточного давления. Более интенсивная очистка полостей от остатков подаваемого продукта может осуществляться с посредством дополнительного пневмопродува полостей.
Работы в условиях разницы давлений, накладывает серьёзные требования на конструкцию шлюзового питателя. Его корпус изготавливают из чугуна или нержавеющей стали, а мощные подшипниковые узлы гарантируют отсутствие деформации вала роторного механизма. Лопасти роторного механизма выполнены под углом к оси вращения, что обеспечивает плавную и непрерывную подачу материала в зону аэрации. При монтаже питателя и подключении элементов пневмотранспорта, следует строго соблюдать правильное направление выброса продукта.
Секторный питатель может иметь производительность 5.2, 9, 14, 20 или 38 литров за один оборот, а конструкция привода позволяет обеспечить скорость вращения 10, 20 или 30 оборотов в минуту. В зависимости от свойств подаваемого продукта, полости ротора могут быть облицованы сменными пластинами из различных материалов, позволяющими работать с абразивными и высокотемпературными материалами. Для работы с взрывоопасными материалами, шлюзовой питатель и его привод могут быть изготовлены во взрывобезопасном исполнении ATEX.
ЗАДАТЬ ВОПРОС ИЛИ ЗАКАЗАТЬ
ЗВОНИТЕ! В НАЛИЧИИ, СКЛАД.
Мы свяжемся с вами для уточнения формы оплаты и способа доставки заказа
ЗВОНИТЕ! В НАЛИЧИИ, СКЛАД.
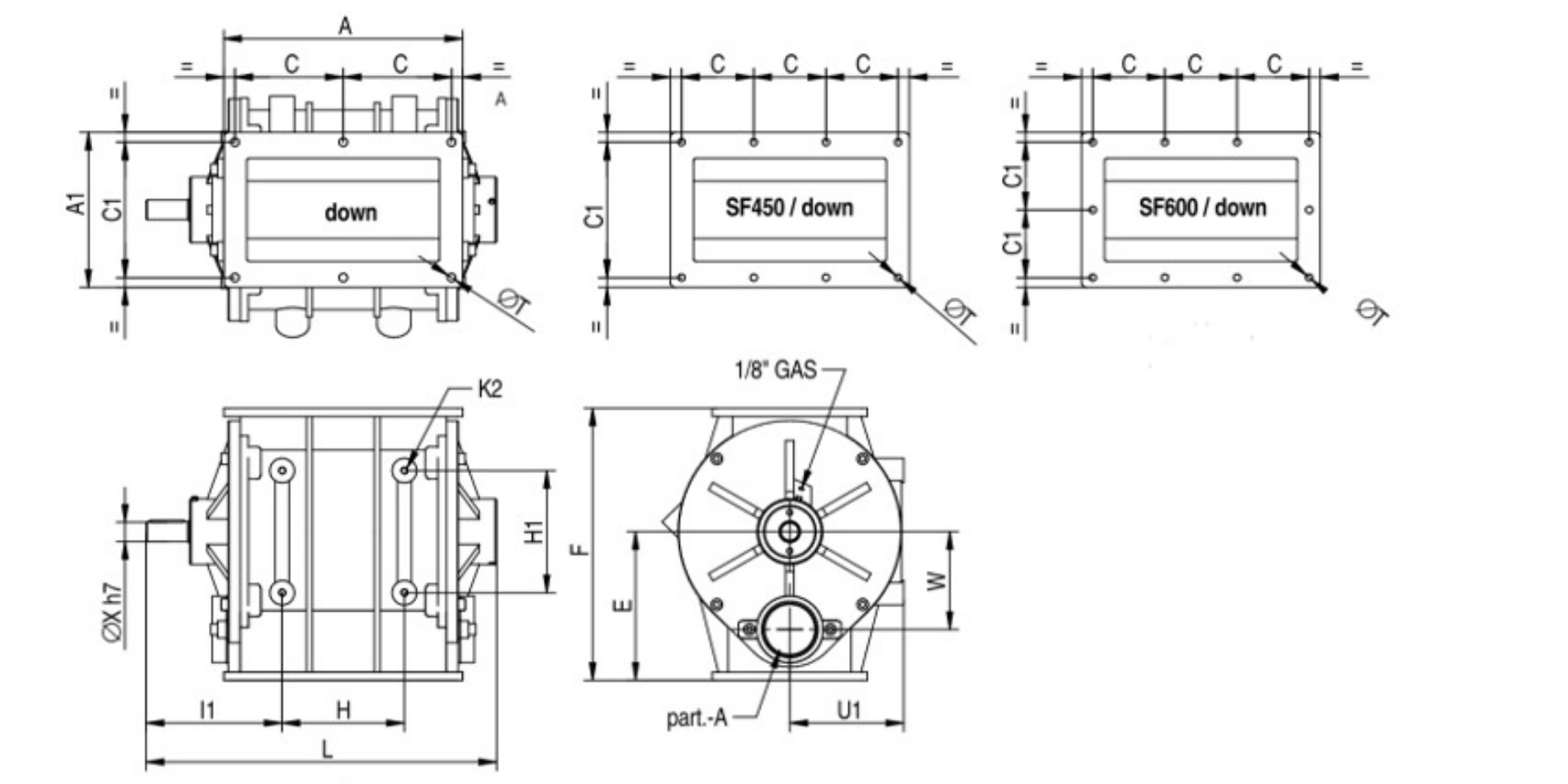
| Тип SF | A | A1 | C | C1 | E | F | H | H1 | I1 | K2 | L |
|---|---|---|---|---|---|---|---|---|---|---|---|
| 150 | 210 | 165 | 95 | 145 | 130 | 245 | 116 | 105 | 147 | M8 | 353 |
| 180 | 250 | 178 | 115 | 155 | 140 | 270 | 120 | 120 | 164,5 | M8 | 392 |
| 230 | 298 | 200 | 135 | 172 | 174 | 330 | 150 | 150 | 181,5 | M10 | 451 |
| 270 | 342 | 222 | 155 | 194 | 213 | 390 | 175 | 175 | 194 | M10 | 501 |
| 300 | 428 | 278 | 195 | 250 | 248 | 447 | 200 | 200 | 219 | M12 | 576 |
| 350 | 580 | 332 | 180 | 300 | 290 | 530 | 320 | 220 | 259,5 | M12 | 747 |
| 450 | 710 | 425 | 215 | 370 | 368 | 677 | 400 | 300 | 313 | M14 | 923 |
| 600 | 840 | 530 | 266 | 244 | 446 | 830 | 300 | 300 | 312,5 | M14 | 1125 |
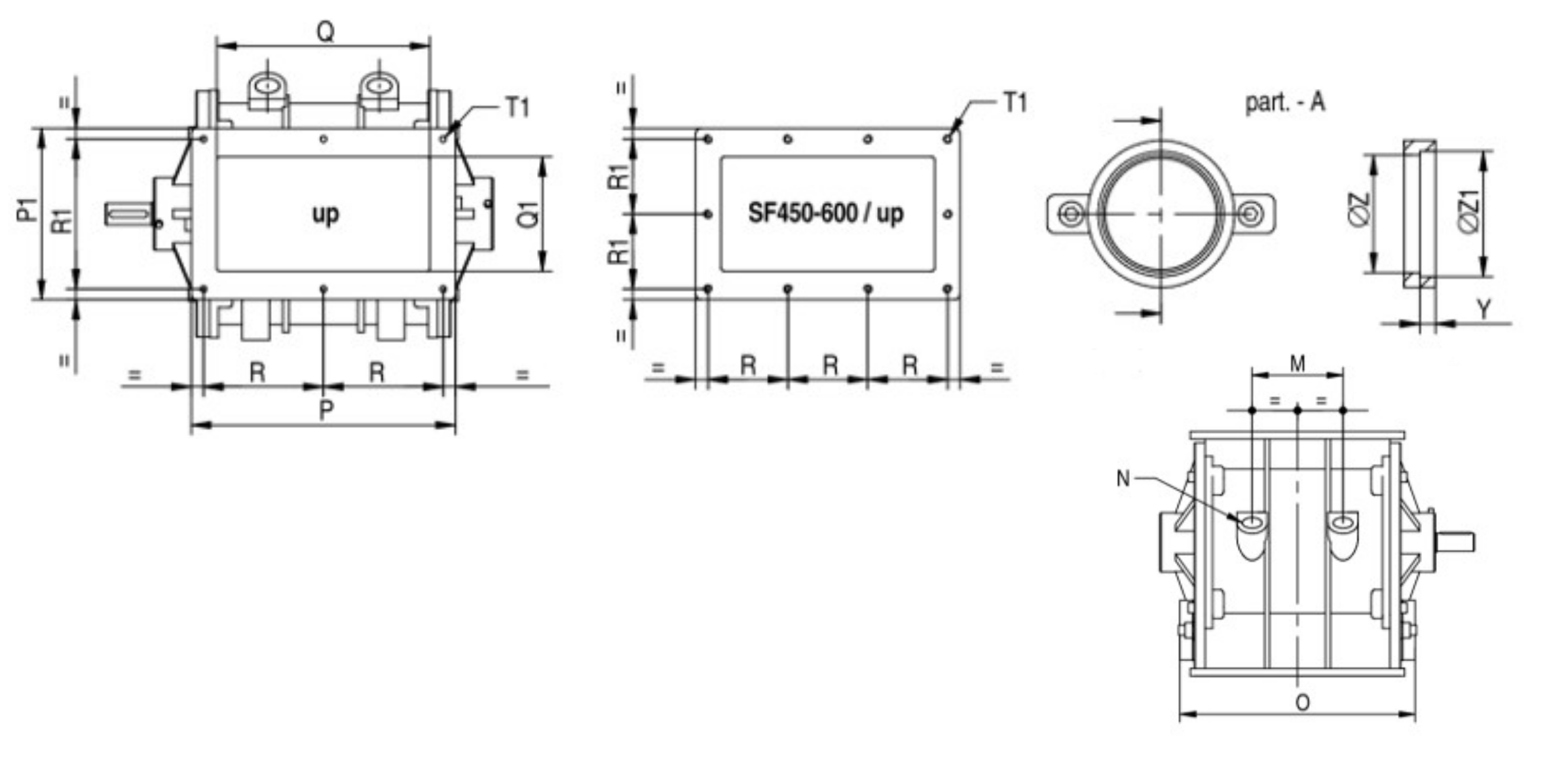
| Тип SF | M | O | P | P1 | Q | Q1 | R | R1 | ⌀T | T1 | U1 | W | ⌀X | Y | ⌀Z | ⌀Z1 |
|---|---|---|---|---|---|---|---|---|---|---|---|---|---|---|---|---|
| 150 | -- | 226 | 210 | 165 | 155 | 105 | 95 | 145 | 10 | M8 | 105 | 88,5 | 24 | 7 | 43 | 49 |
| 180 | 119 | 271 | 250 | 178 | 190 | 118 | 115 | 155 | 10 | M8 | 118 | 95 | 24 | 7,5 | 54 | 61 |
| 230 | 131 | 329 | 298 | 200 | 238 | 135 | 135 | 172 | 10 | M8 | 146 | 120 | 28 | 9 | 64 | 71 |
| 270 | 145 | 375 | 342 | 222 | 276 | 148 | 155 | 194 | 12 | M10 | 166 | 140 | 28 | 10 | 74 | 81 |
| 300 | 182 | 468 | 428 | 278 | 340 | 198 | 195 | 250 | 13 | M12 | 188 | 160 | 34 | 14 | 96 | 103 |
| 350 | 249 | 601 | 580 | 352 | 470 | 238 | 180 | 300 | 14 | M12 | 220 | 185 | 42 | 14 | 118 | 127 |
| 450 | 270 | 730 | 715 | 435 | 570 | 285 | 215 | 185 | 15 | M14 | 285 | 240 | 54 | 18 | 150 | 159 |
| 600 | 360 | 915 | 840 | 530 | 635 | 356 | 266 | 244 | 18 | M16 | 350 | 280 | 60 | 18 | 186 | 195 |
Компания "Приводная механика" предлагает шлюзовой / секторный питатель со складов в Липецке, Ярославле, Казани, Воронеже, Астрахани, а так же в Республике Крым, Ижевске и Челябинске. Лучшая складская программа, много позиций имеется в наличии, лучшие условия при доставке под заказ. Вы можете купить шлюзовой / секторный питатель с доставкой в любой регион через транспортную компанию на выбор. В компании "Приводная механика" всегда низкие цены на затворы. Наши специалисты окажут профессиональную консультацию и помогут подобрать необходимое оборудование.
