Шлюзовой / секторный затвор
Шлюзовой затвор, как правило, используется для разгрузки бункеров, находящихся под давлением отличном от атмосферного, или в случае повышенной текучести частиц подаваемого материала. Обычно такую ситуацию можно встретить при выгрузке осаждаемого продукта из разгрузителей или аппаратов очистки воздуха, при необходимости равномерной подачи или дозирования гранулированных материалов. Простая, компактная и надёжная конструкция шлюзового затвора как нельзя лучше подходит как для решения ответственных технических задач во многих технологических процессах.
ЗАДАТЬ ВОПРОС ИЛИ ЗАКАЗАТЬ
ЗВОНИТЕ! В НАЛИЧИИ, СКЛАД.
Мы свяжемся с вами для уточнения формы оплаты и способа доставки заказа
ЗВОНИТЕ! В НАЛИЧИИ, СКЛАД.
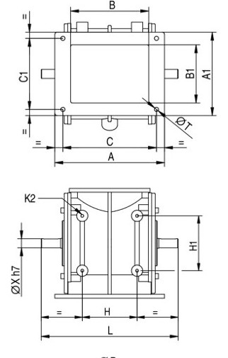
| Тип ZRF | ØA | ØB | ØC | H | Q | L | M | N | n-Ø | Мотор | Вес |
|---|---|---|---|---|---|---|---|---|---|---|---|
| 2L | 100 | 170 | 200 | 240 | 8 | 720 | 8-Ø13 | 0,55 | 80 | ||
| 4L | 150 | 220 | 250 | 300 | 8 | 780 | 600 | 560 | 8-Ø13 | 0,75 | 100 |
| 8L | 200 | 280 | 320 | 350 | 10 | 820 | 650 | 600 | 8-Ø18 | 0,75 | 120 |
| 14L | 250 | 340 | 390 | 420 | 10 | 880 | 800 | 680 | 12-Ø18 | 1,1 | 165 |
| 24L | 300 | 380 | 420 | 460 | 15 | 1000 | 850 | 720 | 12-Ø18 | 1,5 | 280 |
| 35L | 350 | 450 | 500 | 520 | 15 | 1050 | 920 | 780 | 12-Ø18 | 2,2 | 450 |
| 50L | 400 | 480 | 520 | 580 | 20 | 1110 | 990 | 870 | 12-Ø18 | 3,0 | 610 |
| 68L | 450 | 550 | 600 | 640 | 20 | 1170 | 1100 | 930 | 12-Ø18 | 3,0 | 710 |
| 90L | 500 | 600 | 660 | 750 | 20 | 1230 | 1180 | 1000 | 16-Ø22 | 4,0 | 820 |
| 150L | 600 | 700 | 760 | 810 | 30 | 1350 | 1300 | 1120 | 16-Ø22 | 5,5 | 950 |
| 260L | 700 | 800 | 860 | 810 | 30 | 1500 | 1450 | 1320 | 16-Ø22 | 7,5 | 1150 |
Шлюзовой затвор состоит из цилиндрического корпуса с крепёжными фланцами в верхней и нижней части. На боковых сторонах корпуса крепятся крышки, оборудованные подшипниковыми узлами роторного механизма. Роторный механизм представляет собой жёстко установленный на валу барабан, разделённый на несколько полостей, являющихся «карманами» для подаваемого продукта. Вращение роторного механизма осуществляется от электромеханического привода (мотор-редуктора). Совершая оборот вокруг своей оси, полости барабана захватывают частицы осаждённого в бункере продукта и транспортируют их вниз, осуществляя выгрузку под действием сил гравитации. Выполняя роль разгрузочного клапана, шлюзовой затвор обладает герметичностью, обеспечивающей минимальную утечку воздуха из расходного бункера.
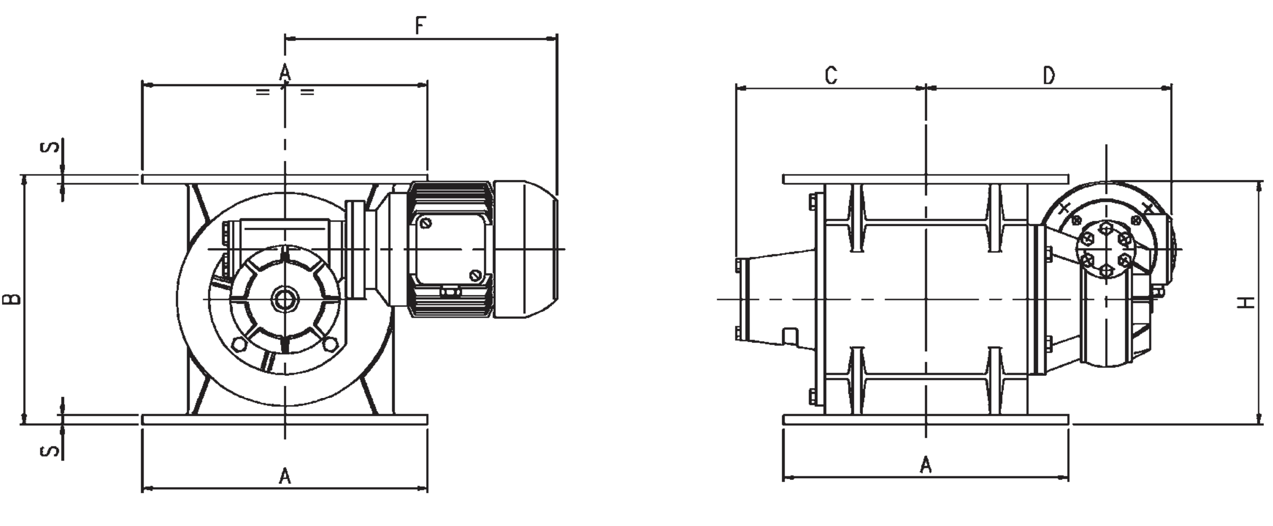
| Тип VPS | A | A1 | B | B1 | C | C1 | F | H | H1 | Вес | Вес без мотор-редуктора | Производительность |
|---|---|---|---|---|---|---|---|---|---|---|---|---|
| 180 | 210 | 188 | 150 | 120 | 180 | 160 | 245 | 110 | 105 | 53 | 30 | 2,5 |
| 230 | 256 | 218 | 185 | 148 | 220 | 185 | 310 | 120 | 120 | 70 | 46 | 10 |
| 270 | 340 | 258 | 242 | 180 | 290 | 220 | 340 | 170 | 170 | 110 | 72 | 20 |
| 300 | 372 | 310 | 266 | 218 | 330 | 270 | 382 | 200 | 185 | 130 | 90 | 40 |
| 350 | 470 | 360 | 360 | 250 | 210 | 320 | 470 | 240 | 200 | 240 | 167 | 50 |
| 400 | 490 | 410 | 400 | 320 | 145 | 380 | 527 | 250 | 250 | 285 | 215 | 60 |
Роторный затвор (реже секторный затвор) обеспечивает производительность, определяющуюся суммарным объёмом полостей для материала на барабане: от 2,2 до 19,5 литров (л/об.). Частота вращения ротора принимается в соответствии с номенклатурным рядом: 10, 20 или 30 об/мин. В соответствии со свойствами транспортируемого материала, лопасти роторного механизма могут быть оснащены защитными вставками из различных материалов. Если необходимо установить шлюзовой затвор на силос, имеющий круглый выходной патрубок, то используют нормализованное исполнение, в котором верхний загрузочный фланец имеет круглую форму. К наиболее часто используемым опциям следует также отнести: дефлектор для подачи гранулированных продуктов и индикатор вращения.
По желанию Заказчика шлюзовой затвор может быть изготовлен в специальном взрывобезопасном исполнении ATEX.
| Тип RV/RVR | Проход | A | B | C | S | D* | F* | H* | Вес кг | Произв-ть м3/ч |
|---|---|---|---|---|---|---|---|---|---|---|
| 2 | 150 | 265 | 220 | 157 | 10 | 345 | 340 | 276 | 58 | до 3,6 |
| 5 | 200 | 320 | 280 | 205 | 13 | 345 | 340 | 306 | 73 | до 9 |
| 10 | 250 | 375 | 360 | 233 | 13 | 402 | 375 | 372 | 123 | до 18 |
| 20 | 300 | 440 | 455 | 275 | 15 | 430 | 400 | 420 | 181 | до 36 |
Компания "Приводная механика" предлагает шлюзовой / секторный затвор со складов в Липецке, Ярославле, Казани, Воронеже, Астрахани, а так же в Республике Крым, Ижевске и Челябинске. Лучшая складская программа, много позиций имеется в наличии, лучшие условия при доставке под заказ. Вы можете купить шлюзовой / секторный затвор с доставкой в любой регион через транспортную компанию на выбор. В компании "Приводная механика" всегда низкие цены на затворы. Наши специалисты окажут профессиональную консультацию и помогут подобрать необходимое оборудование.
