Цилиндрический мотор-редуктор 5МП-31.5, 5МП-40, 5МП-50
ЗВОНИТЕ! В НАЛИЧИИ, СКЛАД.
Условия применения редукторов
- режим работы — продолжительный, с продолжительностью работы 8–24 ч/сут;
- нагрузка постоянная и переменная (в пределах номинального крутящего момента) одного направления и реверсивная;
- высота над уровнем моря — до 1000 м;
- внешняя среда — неагрессивная, невзрывоопасная с содержанием непроводящей пыли до 10 мг/м3
- климатическое исполнение У(N) — умеренный климат, категория размещения 3 — эксплуатация в помещениях, где колебания температуры и влажности воздуха существенно меньше, чем на открытом воздухе, рабочая температура окружающей среды от -45°С до +40°С, или Т — тропический климат, категория размещения 2 -эксплуатация под навесом или в помещении, где колебания температуры и влажности воздуха несущественно отличаются от колебаний на открытом воздухе, рабочая температура окружающей среды от -10°С до +45°С.
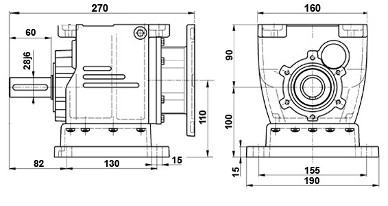
Габаритные и присоединительные размеры
Монтажные позиции
Технические характеристики
|
Наименование мотор-редуктора |
Номинальная частота вращения выходного вала, об/ мин |
Фактическая частота вращения выходного вала, об/ мин |
Передаточное число |
Номинальный крутящий момент на выходном валу, Н·м |
Сервис-фактор |
Электродвигатель, кВт/ об/мин |
Кол-во ступеней |
|---|---|---|---|---|---|---|---|
|
5МП–31,5 |
3,55 |
|
|
|
|
|
|
|
5,6 |
7.76 |
121.42 |
|
|
0.09/700 |
3 |
|
|
7,1 |
7 |
100.13 |
|
|
0.09/700 |
3 |
|
|
7.2 |
121.42 |
120 |
1.7 |
0.09/900 |
3 |
||
|
9 |
9 |
100.13 |
|
|
0.12/900 |
3 |
|
|
12,5 |
12.2 |
110.26 |
140.4 |
1.4 |
0.18/1400 |
3 |
|
|
16 |
15.1 |
89.62 |
158.5 |
1.3 |
0.25/1400 |
3 |
|
|
18 |
17 |
79.59 |
140.8 |
1.4 |
0.25/1400 |
3 |
|
|
22,4 |
21.2 |
63.78 |
112.8 |
1.8 |
0.25/1400 |
3 |
|
|
28 |
29.1 |
47.1 |
121.4 |
1.6 |
0.37/1400 |
3 |
|
|
27.5 |
33.4 |
128.3 |
1.6 |
0.37/900 |
3 |
||
|
30 |
25.1 |
|
|
0.37/750 |
2 |
||
|
35,5 |
37.6 |
37.1 |
139.6 |
1.41 |
0.55/1400 |
3 |
|
|
36 |
25.1 |
144.6 |
1.4 |
0.55/900 |
2 |
||
|
36 |
20.7 |
|
|
0.55/750 |
2 |
||
|
45 |
46 |
30.3 |
114.2 |
1.8 |
0.55/1400 |
3 |
|
|
44 |
20.7 |
119.2 |
1.7 |
0.55/900 |
2 |
||
|
46 |
16.4 |
|
|
0.55/750 |
2 |
||
|
56 |
56 |
25.1 |
128.6 |
1.6 |
0.75/1400 |
2 |
|
|
55 |
16.4 |
128.5 |
1.6 |
0.75/900 |
2 |
||
|
71 |
69 |
20.7 |
153.4 |
1.3 |
1.1/1400 |
2 |
|
|
71 |
12.9 |
148.6 |
1.3 |
1.1/900 |
2 |
||
|
90 |
86 |
16.4 |
121.9 |
1.6 |
1.1/1400 |
2 |
|
|
92 |
9.9 |
113.8 |
1.5 |
1.1/900 |
2 |
||
|
112 |
110 |
12.9 |
130.5 |
1.5 |
1.5/1400 |
2 |
|
|
117 |
7.9 |
121.7 |
1.2 |
1.5/900 |
2 |
||
|
112 |
25.1 |
|
|
1.5/2800 |
2 |
||
|
140 |
143 |
9.9 |
146.6 |
1.2 |
2.2/1400 |
2 |
|
|
135 |
20.7 |
|
|
2.2/2800 |
2 |
||
|
180 |
181 |
7.9 |
116.3 |
1.3 |
2.2/1400 |
2 |
|
|
280 |
283 |
9.9 |
|
|
4.0/2800 |
2 |
|
|
365 |
372 |
3.76 |
75.9 |
1.3 |
3.0/1400 |
2 |
|
|
355 |
7.9 |
|
|
3.0/2800 |
2 |
||
|
5МП-40 |
5,6 |
5.9 |
118.54 |
|
|
0.12/700 |
3 |
|
7,1 |
|
|
|
|
|
|
|
|
9.0 |
|
|
|
|
|
|
|
|
12,5 |
|
|
|
|
|
|
|
|
16 |
15 |
50.7 |
|
|
0.37/750 |
3 |
|
|
18 |
18 |
50.7 |
|
|
0.55/900 |
3 |
|
|
22,4 |
|
|
|
|
|
|
|
|
28 |
28 |
50.7 |
|
|
0.75/1400 |
2 |
|
|
30 |
25.4 |
|
|
0.75/750 |
2 |
||
|
35,5 |
35.5 |
25.4 |
|
|
1.1/900 |
2 |
|
|
37.5 |
20 |
|
|
1.1/750 |
2 |
||
|
45 |
45 |
20 |
|
|
1.1/1400 |
2 |
|
|
56 |
55 |
25.4 |
|
|
1.5/1400 |
2 |
|
|
71 |
70 |
20 |
|
|
2.2/1400 |
2 |
|
|
90 |
92 |
15.2 |
|
|
2.2/1400 |
2 |
|
|
90 |
10 |
|
|
2.2/900 |
2 |
||
|
112 |
110 |
25.4 |
|
|
3.0/3000 |
2 |
|
|
117 |
7.7 |
|
|
3.0/900 |
2 |
||
|
140 |
140 |
10 |
|
|
4.0/1400 |
2 |
|
|
140 |
20 |
|
|
4.0/2800 |
2 |
||
|
180 |
182 |
7.7 |
|
|
5.5/1400 |
2 |
|
|
224 |
|
|
|
|
|
|
|
|
400 |
|
|
|
|
|
|
|
|
460 |
|
|
|
|
|
|
|
|
5МП–50 |
3,55 |
3,7 |
189 |
730 |
1 |
0,25/700 |
3 |
|
5,6 |
5,4 |
167,4 |
966 |
0,8 |
0,55/900 |
3 |
|
|
7,1 |
7,4 |
189,3 |
712,8 |
1,2 |
0,55/1500 |
3 |
|
|
9,0 |
8,3 |
167,4 |
630,1 |
1,3 |
0,55/1500 |
3 |
|
|
12,5 |
12 |
116,5 |
598 |
1,4 |
0,75/1500 |
3 |
|
|
16,0 |
15,4 |
90,7 |
465,6 |
1,8 |
0,75/1500 |
3 |
|
|
18,0 |
17,6 |
80,2 |
595,2 |
1,4 |
1,1/1500 |
3 |
|
|
22,4 |
22,4 |
63 |
468 |
1,4 |
1,5/1500 |
3 |
|
|
28,0 |
28,9 |
49,2 |
495,9 |
1,7 |
1,5/1500 |
3 |
|
|
35,5 |
36,9 |
38,5 |
569,6 |
1,4 |
2,2/1500 |
3 |
|
|
45,0 |
46,9 |
30,3 |
447,9 |
1,8 |
2,2/1500 |
3 |
|
|
56,0 |
53 |
26,8 |
540,5 |
1,5 |
3,0/1500 |
3 |
|
|
71,0 |
68,8 |
20,9 |
555 |
1,5 |
4,0/1500 |
2 |
|
|
90,0 |
89,7 |
16,2 |
585,4 |
1,3 |
5,5/1500 |
2 |
|
|
112 |
114,7 |
12,6 |
332,9 |
2,1 |
4,0/1500 |
2 |
|
|
112 |
115,5 |
12,6 |
454,6 |
1,5 |
5,5/1500 |
2 |
|
|
140 |
146,2 |
9,9 |
490 |
1,3 |
7,5/1500 |
2 |
|
|
180 |
186,7 |
7,8 |
562,7 |
1,1 |
11/1500 |
2 |
|
|
224 |
235,9 |
6,2 |
445,4 |
1,2 |
11/1500 |
2 |
|
|
400 |
414 |
7 |
340 |
0,9 |
15/3000 |
2 |
|
|
460 |
468 |
6,2 |
300 |
0,9 |
15/3000 |
2 |
|
|
460 |
468 |
6,2 |
220 |
1,2 |
11/3000 |
2 |
Пример условного обозначения при заказе
- 5МП50 - тип мотор–редуктора;
- 45 - номинальная частота вращения выходного вала, об/мин;
- 2,2 - мощность электродвигателя, кВт;
- G110 - конструктивное исполнение по способу монтажа;
Компания "Приводная механика" предлагает цилиндрический мотор-редуктор 5МП-31.5, 5МП-40, 5МП-50 со складов в Липецке, Ярославле, Казани, Воронеже, Астрахани, а так же в Республике Крым, Ижевске и Челябинске. Лучшая складская программа, много позиций имеется в наличии, лучшие условия при доставке под заказ. Вы можете купить цилиндрический мотор-редуктор 5МП-31.5, 5МП-40, 5МП-50 с доставкой в любой регион через транспортную компанию на выбор. В компании "Приводная механика" всегда низкие цены на планетарные мотор-редукторы. Наши специалисты окажут профессиональную консультацию и помогут подобрать необходимое оборудование.
