Цилиндро-гипоидные мотор-редукторы серия КМ
ЗВОНИТЕ! В НАЛИЧИИ, СКЛАД.
Подбор редуктора по мощьности
Параметры редуктора
- Габариты 050 - 090 отливаются под давлением из алюминиевого сплава
- Габарит 110 - серый чугун
- Зубчатые колеса: 20CrMnTi, цементация и азотирование повышают твердость поверхностного слоя до 58-62 HRC и обеспечивают глубину твердого поверхностного слоя после финишной обработки между 0.3 и 0.6 мм.
Окраска корпуса
- Дробеструйная очистка и нанесение специального антисептического средства на алюминиевые поверхности.
- Фосфатирование и окраска RAL9022 в серебристый или RAL5010 в синий цвет
Обозначение мотор-редуктора
KM 063 В - 20.25 - FA1 - SS1 - 71B5 B3 - 0.37-4P / 1
| КМ | 063 В | 20.25 | FA1 | SS1 | 71B5 | B3 | 0.37-4P |
/ 1 |
| 1 | 2.1; 2.2 | 3 | 4 | 5 | 6 | 7 | 8 | 9 |
|
№ |
Расшифровка |
Comments |
|---|---|---|
| 1 | Обозначение серии: КМ | Code for gear units series: KM |
| 2.1 | Типоразмер 050, 063, 075, 090, 110, | Specification code of gear units 050 063 075 090 110 |
| 2.2 | В:2-х ступенчатый С: 3-х ступенчатый |
1 .B:Means 2 stages 2.C:Means 3 stages |
| 3 | Передаточное соотношение | Speed ratio of reducer i |
| 4 | Отсутствие маркировки означает отсутствие выходного фланца 2.FA,FB,FC,FD,FE(1/2) | 1 .No mark means without output flange 2.FA4 FB4 FC4 FD4 FE(1/2):output Flange and position |
| 5 | Отсутствие маркировки означает отсутствие выходного вала. SS(1/2) выходной вал на одну из сторон DS - двухсторонний выходной вал. |
1 .No mark means hole output 2.SS(1/2):Single output shaft and position 3.DS:Double output shaft |
| 6 | 1. Габарит входного (двигательного) фланца 2. HS обозначает наличие входного быстроходного вала |
1.Input flange code(63B5s 71В5ч 71B14 ) 2. HS:means shaft input |
| 7 | Вариант расположения (способ монтажа) | Installation position code |
| 8 | 1.Отсутствие маркировки означает отсутствие мотора 2. Мощность электродвигателя и количество полюсов |
1 .No mark means without motor 2.Model motors(poles of power) |
| 9 | Вариант расположения клеммной коробки электродвигателя | Position diagram for motor terminal box default position 1 not to write out is ok |
Рекомендации по установке редуктора
- До подключения редуктора к механизму необходимо убедиться в том, что выходной вал редуктора вращается в нужном направлении.
- Перед установкой электродвигателя на редуктор, проверьте соответствие диаметров выходного вала и входного отверстия, а также соответствие шпонки на выходном валу и шпоночного паза во входном отверстии. Убедитесь в отсутствии люфта либо тяжелой посадки вала, так как это будет негативно влиять на работу механизма
- Редуктор следует устанавливать надежно и устойчиво, это поможет избежать вибрации при его эксплуатации.
- По возможности защитите редуктор от солнечного света и осадков.
- В случае длительных периодов хранения редукторов (более 6 месяцев) рекомендуется заменить не погруженные в смазку сальники, так как резина имеет свойство терять эластичность, что негативно влияет на работу механизма.
- Краска не должна покрывать резиновые части, сливные, заливные пробки и сапуны (если таковые имеются).
- При агрегатировании редуктора и механизма во избежание окисления, следует нанести смазку на поверхности валов и втулок в местах их зацеплений.
- До начала и в процессе всей эксплуатации проверяйте уровень масла.
- Нагрузка не должна быть максимальной (или ударной) в момент включения редуктора.
- Если вес устанавливаемого электродвигателя выше стандартного веса, устройству следует обеспечить дополнительную опору.
- Обеспечьте правильное охлаждение электродвигателя.
- При температуре окружающей среды ниже -30ºС, производитель рекомендует поменять сальники, смазку и подшипники на расходные материалы с соответствующим рабочим температурным диапазоном.
Рабочие характеристики, приведенные в каталоге, соответствуют исполнению B3, когда первая ступень погружена в масло не полностью. При необходимости использования редуктора в условиях работы отличных от стандартных, например:
- Скорости входного вала выше стандартной
- Использование при очень сильной инерции
- Использование в условиях, когда выход редуктора из строя может нести опасность для жизни людей
- Использование при сильной динамической нагрузке на корпус редуктора
- Использование при температуре ниже -5ºC или выше 40ºC
- Использование в химически агрессивных средах
- Использование в соленой среде
- Использование в радиоактивной среде
- Использование при давлении окружающей среды выше или ниже атмосферного
- Использование в монтажных позициях, не предусмотренных каталогом
необходимо связаться с технической службой поставщика для получения конкретных рекомендаций.
Не рекомендуется использовать редуктор в условиях, когда требуется его частичное погружение в воду. Максимальный крутящий момент устройства не должен превышать двукратного номинального крутящего момента. Мгновенная перегрузка может происходить при запуске редуктора под номинальной нагрузкой, при торможении, ударах и по другим причинам, в том числе во время движения.
Модификации оборудования серии КМ

Сборочный чертеж

|
1 |
Винт с шестигранником | 22 | Корпус | 43 | Подшипник | 64 | Прокладка |
|---|---|---|---|---|---|---|---|
| 2 | Входной фланец | 23 | Шпонка | 44 | Прокладка | 65 | Подшипник |
| 3 | Муфта сцепления | 24 | Шестерня-вал | 45 | Стопорное кольцо | 66 | шестерня |
| 4 | Стопорное кольцо | 25 | Подшипник | 46 | Манжет | 67 | Шестерня-вал |
| 5 | Подшипник | 26 | Подшипник | 47 | Выходной фланец | 68 | Шпонка |
| 6 | Стопорное кольцо | 27 | Пробка | 48 | Винт с шестигранником | 69 | Пробка |
| 7 | Манжет | 28 | Стопорное кольцо | 49 | Манжет | 70 | Стопорное кольцо |
| 8 | Пробка | 29 | Шестерня-вал | 50 | Стопорное кольцо | 71 | Уплотнительная прокладка |
| 9 | Винт с шестигранником | 30 | Стопорное кольцо | 51 | Подшипник | 72 | Шпонка |
| 10 | Корпус | 31 | Шайба | 52 | Пробка | 73 | Шпонка |
| 11 | Манжет | 32 | Прокладка | 53 | Корпус | 74 | Двухсторонний вал |
| 12 | Винт с шестигранником | 33 | Подшипник | 54 | Пробка | 75 | Шпонка |
| 13 | Крышка | 34 | Винт с шестигранником | 55 | Распорная втулка | 76 | Шпонка |
| 14 | Шпонка | 35 | Корпус | 56 | Шестерня | 77 | Уплотнительная прокладка |
| 15 | Муфта сцепления? | 36 | Пробка | 57 | Шпонка | 78 | Стопорное кольцо |
| 16 | Подшипник | 37 | Подшипник | 58 | Вал с отверстием | 79 | Стопорное кольцо |
| 17 | Стопорное кольцо | 38 | Шпонка | 59 | Подшипник | 80 | Уплотнительная прокладка |
| 18 | Подшипник | 39 | Шестерня-вал | 60 | Стопорное кольцо | 81 | Шпонка |
| 19 | Стопорное кольцо | 40 | Клапан-сапун | 61 | Манжет | 82 | Односторонний выходной вал |
| 20 | Винт с шестигранником | 41 | Табличка | 62 | Манжет | 83 | Шпонка |
| 21 | Пробка | 42 | Пробка | 63 | Стопорное кольцо | 84 | Шпонка |
Подбор редуктора по мощьности
P=0,12кВт ; 0,18кВт ; 0,25 кВт
| P1n | n2 [r/min] | M2m [Nm] | i Nominal | i Actual | Fr2 [N] | K | |||
|---|---|---|---|---|---|---|---|---|---|
| 0.12 | 5.7 7.0 9.5 11.6 13.9 18.8 22.5 26.7 |
184 151 110 91 76 56 47 39 |
250 200 150 125 100 75 60 50 |
244.29 200.44 146.67 120.34 101.24 74.62 62.36 52.36 |
4100 4100 4000 3770 3560 3220 3030 2860 |
0.7 0.9 1.2 1.4 1.3 1.4 2.8 2.5 |
KM050C | 63B5 | 6314 |
| 24.0 28.7 35 48 58 69 94 112 134 181 |
45 38 31 23 18.5 15.6 11.5 9.6 8.1 5.9 |
60 50 40 30 25 20 15 12.5 10 7.5 |
58.36 48.86 40.09 29.33 24.07 20.21 14.92 12.47 10.47 7.73 |
2960 2790 2610 2350 2200 2080 1880 1770 1670 1510 |
2.9 3.5 4.2 5.8 7.0 6.4 7.0 13.5 12.4 13.5 |
KM050B | 63B5 | 6314 | |
| 4.6 5.7 7.1 9.2 11.5 13.8 19.1 22.1 26.7 |
228 183 148 114 92 76 55 48 40 |
300 250 200 150 125 100 75 60 50 |
302.50 243.57 196.43 151.56 122.22 101.27 73.33 63.33 52.48 |
4800 4800 4800 4650 4330 4070 3650 3480 3270 |
0.9 1.1 1.2 1.8 2.0 2.0 2.0 3.8 3.8 |
KM063C | 63B5 | 6314 | |
| 23.1 28.7 36 46 |
47 37 30 23 |
60 50 40 30 |
60.50 48.71 39.29 30.31 |
3420 3190 2970 2720 |
4.3 5.3 6.0 8.6 |
KM063B | 63B5 | 6314 | |
| 4.7 5.8 7.0 9.3 11.1 14.1 18.6 |
224 181 151 114 95 75 57 |
300 250 200 150 125 100 75 |
297.21 240.89 200.86 151.20 125.95 99.22 75.45 |
6500 6500 6500 6500 5980 55.20 5040 |
1.6 1.9 2.0 3.1 3.2 3.2 3.5 |
KM075C | 63B5 | 6314 | |
| 4.7 5.8 7.0 9.3 |
222 181 151 114 |
300 250 200 150 |
295.18 240.89 200.66 151.20 |
8300 8300 8300 8050 |
2.2 2.8 3.2 4.4 |
KM090C | 63B5 | 6314 | |
| P1n | n2 [r/min] | M2m [Nm] | i Nominal | i Actual | Fr2 [N] | K | |||
|---|---|---|---|---|---|---|---|---|---|
| 0.18 | 9.6 11.5 14.0 19.1 23.3 27.7 387 45 53 |
165 138 113 83 68 57 42 35 30 |
300 250 200 150 125 100 75 60 50 |
291.79 244.29 200.44 146.67 120.34 101.04 74.62 62.36 52.36 |
4000 3790 3550 3200 2990 2820 2550 2400 2270 |
0.8 0.9 1.1 1.6 1.9 1.8 1.9 3.7 3.4 |
KM050C | 63B5 | 6312 |
| 48 57 70 95 116 |
34 28 23 16.9 13.9 |
60 50 40 30 25 |
58.36 48.86 40.09 29.33 24.07 |
2350 2220 2070 1870 1750 |
3.9 4.6 5.6 7.7 9.4 |
KM050B | 63B5 | 6312 | |
| 11.6 13.9 18.8 22.5 26.7 |
136 114 84 70 59 |
125 100 75 60 50 |
120.34 101.04 74.62 62.36 52.36 |
3770 3560 3220 3030 2860 |
1.0 0.9 0.9 1.8 1.7 |
KM050C | 63B5 | 6324 | |
| 24.0 28.7 35 48 58 69 94 112 134 181 |
67 56 46 34 28 23 17.2 14.4 12.1 8.9 |
60 50 40 30 25 20 15 12.5 10 7.6 |
58.36 48.86 40.09 29.33 24.07 20.21 14.92 12.47 10.47 7.73 |
2960 2790 2610 2350 2200 2080 1880 1770 1670 1510 |
1.9 2.3 2.8 3.8 4.7 4.3 4.6 9.0 8.3 9.0 |
KM050B | 63B5 | 6324 | |
| 14.4 17.2 |
68 92 |
60 50 |
62.36 52.36 |
3510 3310 |
1.2 1.1 |
KM050C | 71B5/B14 | 7116 | |
| 15.4 18.4 22.4 31 37 45 60 72 86 116 |
105 88 72 53 43 36 27 22 18.8 13.9 |
60 50 40 30 25 20 15 12.5 10 7.5 |
58.36 48.86 40.09 29.33 24.07 20.21 14.92 12.47 10.47 7.73 |
3430 3240 3030 2730 2550 2410 2180 2050 1930 1750 |
1.2 1.5 1.8 2.5 3.0 2.8 3.0 5.8 5.3 5.8 |
KM050B | 71B5/B14 | 7116 | |
| 9.3 11.5 14.3 18.5 22.9 27.6 38 44 53 |
171 138 111 86 69 57 41 36 30 |
300 250 200 150 125 100 75 60 50 |
302.50 243.57 196.43 151.56 122.22 101.27 73.33 63.33 52.48 |
4650 4330 400 3690 3440 3230 2900 2760 2590 |
1.2 1.5 1.6 2.3 2.6 2.6 2.7 5.0 5.1 |
KM063C | 63B5 | 6312 | |
| 7.1 9.2 11.5 13.8 19.1 22.1 26.7 |
222 171 138 114 83 72 59 |
200 150 125 100 75 60 50 |
196.43 151.56 122.22 101.27 73.33 63.33 52.48 |
4800 4650 4330 4070 3650 3480 3270 |
0.8 1.2 1.3 1.3 1.3 2.5 2.5 |
KM063C | 63B5 | 6312 | |
| 23.1 28.7 36 |
70 56 45 |
60 50 40 |
50.50 48.71 39.29 |
3430 3190 2970 |
2.9 3.6 4.0 |
KM063B | 63B5 | 6324 | |
| 12.3 14.2 17.1 |
129 111 92 |
75 60 50 |
73.33 63.33 52.48 |
4230 4030 3790 |
0.9 1.6 1.6 |
KM063C | 71B5/B14 | 7116 | |
| 14.9 18.5 22.9 29.7 37 44 61 |
109 87 71 54 44 36 26 |
60 50 40 30 25 20 15 |
60.50 48.71 39.29 30.31 24.44 20.25 14.67 |
3970 3690 3440 3150 2930 2760 2470 |
1.8 2.3 2.6 3.7 4.1 4.1 4.2 |
KM063B | 71B5/B14 | 7116 | |
| 9.4 11.6 14.0 18.5 |
168 136 113 85 |
300 250 200 150 |
297.21 240.89 200.66 151.20 |
6320 5890 5540 5040 |
2.1 2.6 2.6 4.1 |
KM075C | 63B5 | 6312 | |
| 4.7 5.8 7.0 9.3 11.1 14.1 18.6 |
336 272 227 171 142 112 85 |
300 250 200 150 125 100 75 |
297.21 240.89 200.66 151.20 125.95 99.22 75.45 |
6500 6500 6500 6500 5980 5520 5040 |
1.0 1.3 1.3 2.0 2.1 2.1 2.3 |
KM075C | 63B5 | 6324 | |
| 4.5 6.0 7.1 9.1 11.9 14.4 18.3 |
353 266 221 174 133 110 86 |
200 150 125 100 75 60 50 |
200.66 151.20 125.95 99.22 75.45 62.43 49.18 |
6500 6500 6500 6400 5840 5480 5060 |
0.9 1.3 1.4 1.4 1.5 2.7 2.8 |
KM075C | 71B5 | 7116 | |
| 15.1 18.7 |
107 87 |
60 50 |
59.44 48.18 |
5390 5030 |
3.3 4.0 |
KM075B | 71B5 | 7116 | |
| 9.5 11.6 |
167 136 |
300 250 |
295.18 240.89 |
7990 7470 |
3.0 3.7 |
KM090C | 63B5 | 6312 | |
| 4.7 5.8 7.0 9.3 11.1 14.1 18.6 |
333 272 227 171 142 112 85 |
300 250 200 150 125 100 75 |
195.18 240.89 200.66 151.20 125.95 99.22 75.45 |
8300 8300 8300 8050 70900 7000 6390 |
1.5 1.8 2.1 2.9 3.4 3.4 3.5 |
KM090C | 63B5 | 6324 | |
| 3.0 3.7 4.5 6.0 7.1 9.1 11.9 14.4 18.3 |
519 423 353 266 221 174 133 110 86 |
300 250 200 150 125 100 75 60 50 |
295.18 240.89 20086 151.20 125.95 99.22 75.45 62.43 49.18 |
8300 8300 8300 8300 8300 8110 7400 6950 6420 |
1.0 1.2 1.4 1.9 2.2 2.2 2.3 4.4 4.4 |
KM090C | 71B5 | 7116 | |
| 3.0 3.7 4.4 5.9 7.0 8.7 11.9 |
520 429 362 269 228 182 133 |
300 250 200 150 125 100 75 |
296.10 244.29 206.29 153.33 129.48 103.64 75.55 |
10000 10000 10000 10000 9840 9130 8220 |
4.1 1.7 2.1 2.8 3.3 3.6 3.9 |
KM110C | 71B5 | 7116 | |
| P1n | n2 [r/min] | M2m [Nm] | i Nominal | i Actual | Fr2 [N] | K | |||
|---|---|---|---|---|---|---|---|---|---|
| 0.25 | 19.1 23.3 27.7 38 45 53 |
115 94 79 59 49 41 |
150 125 100 75 60 50 |
146.67 120.34 101.04 74.62 62.36 52.36 |
3200 2990 2820 2550 2400 2270 |
1.1 1.4 1.3 1.4 2.7 2.4 |
KM050C | 63B5 | 6322 |
| 48 57 70 |
47 39 32 |
60 50 40 |
58.36 48.86 40.09 |
2350 2220 2070 |
2.8 3.3 4.0 |
KM050B | 63B5 | 6322 | |
| 22.5 26.7 |
98 82 |
60 50 |
62.36 52.36 |
3030 2860 |
1.3 1.2 |
KM050C | 71B5/B14 | 7114 | |
| 24.0 28.7 35 48 58 69 94 |
94 78 64 47 39 32 24 |
60 50 40 30 25 20 15 |
58.36 48.86 40.09 29.33 24.07 20.21 14.92 |
2960 2790 2610 2350 2200 2080 1880 |
1.4 1.7 2.0 2.8 3.4 3.1 3.3 |
KM050B | 71B5/B14 | 7114 | |
| 15.4 18.4 22.4 31 37 45 60 72 86 116 |
146 122 100 73 60 50 37 31 26 19.3 |
60 50 40 30 25 20 15 12.5 70 7.5 |
58.36 48.86 40.09 29.33 24.07 20.21 14.92 12.47 10.47 7.73 |
3430 3240 3030 2730 2550 2410 2180 2050 1930 1750 |
0.9 1.1 1.3 1.8 2.2 2.0 2.2 4.2 3.8 4.2 |
KM050B | 71B5/B14 | 7126 | |
| 11.5 14.3 18.5 22.9 27.6 38 44 53 |
191 154 119 96 79 58 50 41 |
250 200 150 125 100 75 60 50 |
243.57 196.43 151.56 122.22 101.27 73.33 63.33 52.48 |
4330 4030 3690 3440 3230 2900 2760 2590 |
1.0 1.2 1.7 1.9 1.9 1.9 3.6 3.6 |
KM063C | 63B5 | 6322 | |
| 11.5 13.8 19.1 22.1 26.7 |
192 159 115 99 82 |
125 100 75 60 50 |
122.22 101.27 73.33 63.33 52.48 |
4330 4070 3650 3480 3270 |
0.9 0.9 1.0 1.8 1.8 |
KM063C | 71B5/B14 | 7114 | |
| 23.1 28.7 36 46 |
97 78 63 49 |
60 50 40 30 |
60.50 48.71 39.39 30.31 |
3430 3190 2970 2720 |
2.1 2.6 2.9 4.1 |
KM063B | 71B5/B14 | 7114 | |
| 14.2 17.1 |
155 128 |
60 50 |
63.33 52.48 |
4030 3790 |
1.2 1.2 |
KM063C | 71B5/B14 | 7126 | |
| 14.9 18.5 22.9 29.7 37 44 61 |
151 121 98 76 61 50 37 |
60 50 40 30 25 20 15 |
60.50 48.71 39.29 30.31 24.44 20.25 14.67 |
3970 3690 3440 3150 2930 2760 2470 |
1.3 1.6 1.8 2.6 3.0 3.0 3.0 |
KM063B | 71B5/B14 | 7126 | |
| 9.4 11.6 14.0 18.5 22.2 28.2 37 |
233 189 157 119 99 78 59 |
300 250 200 150 125 100 75 |
297.21 240.89 200.66 151.20 125.95 99.22 75.45 |
6320 5890 5540 5040 4750 4380 4000 |
1.5 1.9 1.9 3.0 3.0 3.1 3.4 |
KM075C | 63B5 | 6322 | |
| 5.8 7.0 9.3 11.1 14.1 18.6 22.4 28.5 |
378 315 237 198 156 118 98 77 |
250 200 150 125 100 75 60 50 |
240.89 200.66 151.20 125.95 99.22 75.45 62.43 49.18 |
6500 6500 6500 5980 5520 5040 4730 4370 |
0.9 1.0 1.5 1.5 1.5 1.7 3.1 3.1 |
KM075C | 71B5 | 7114 | |
| 6.0 7.1 9.1 11.9 14.4 18.3 |
369 307 242 184 152 120 |
150 125 100 75 60 50 |
151.20 125.95 99.22 75.45 62.43 49.18 |
6500 6500 6400 5840 5480 5060 |
0.9 1.0 1.0 1.1 2.0 2.0 |
KM090C | 71B5 | 7126 | |
| 15.1 18.7 22.4 |
148 120 100 |
60 50 40 |
59.44 48.18 40.13 |
5390 5030 4730 |
2.4 2.9 3.0 |
KM075B | 71B5 | 7126 | |
| 9.5 11.6 14.0 18.5 |
232 189 157 119 |
300 250 200 150 |
295.18 240.89 200.66 151.20 |
7990 7470 7030 6390 |
2.2 2.6 3.0 4.2 |
KM090C | 63B5 | 6322 | |
| 4.7 5.8 7.0 9.3 11.1 14.1 18.6 22.4 28.5 |
463 378 315 237 198 156 118 98 77 |
300 250 200 150 125 100 75 60 50 |
295.18 240.89 200.66 151.20 125.95 99.22 75.45 62.43 49.18 |
8300 8300 8300 8050 7580 7000 6390 6000 5540 |
1.1 1.3 1.5 2.1 2.4 2.4 2.5 4.9 4.9 |
KM090C | 71B5 | 7114 | |
| 3.7 4.5 6.0 7.1 9.1 11.9 14.4 18.3 |
588 490 369 307 242 184 152 120 |
250 200 150 125 100 75 60 50 |
240.89 200.66 151.20 125.95 99.22 75.45 62.43 49.18 |
8300 8300 8300 8300 8110 7400 6950 5420 |
0.9 1.0 1.4 1.6 1.6 1.6 3.2 3.2 |
KM090C | 71B5 | 7126 | |
| 15.2 18.7 |
147 120 |
60 50 |
59.04 48.18 |
11020 6370 |
3.4 4.2 |
KM050C | 71B5/B14 | 7112 | |
| 4.7 5.7 6.8 9.1 10.8 13.5 |
465 383 324 241 203 163 |
300 250 200 150 125 100 |
296.10 244.29 206.29 153.33 129.48 103.64 |
10000 10000 9920 8980 8490 7880 |
1.6 2.0 2.3 3.1 3.7 4.0 |
KM110C | 71B5 | 7114 | |
| 3.0 3.7 4.4 5.9 7.0 8.7 11.9 |
723 596 503 374 316 253 184 |
300 250 200 150 125 100 75 |
296.10 244.29 206.29 153.33 129.48 103.64 75.55 |
10000 10000 10000 10000 9840 9130 8220 |
1.0 1.3 1.5 2.0 2.4 2.6 2.8 |
KM110C | 71B5 | 71 | |
P=0,37кВт ; 0,55кВт ; 0,75 кВт
| P1n | n2 [r/min] | M2m [Nm] | i Nominal | i Actual | Fr2 [N] | K | |||
|---|---|---|---|---|---|---|---|---|---|
| 0.37 | 23.3 27.7 38 45 53 48 57 70 95 |
140 117 87 72 61 69 58 48 35 |
125 100 75 60 50 60 50 40 30 |
120.34 101.04 74.62 62.36 52.36 58.36 48.86 40.09 29.33 |
2990 2820 2550 2400 2270 2350 2220 2070 1870 |
0.9 0.9 0.9 1.8 1.6 1.9 2.2 2.7 3.7 |
KM050С | 71B5/B14 | 7112 |
| 24.0 28.7 35 48 58 69 94 112 134 181 |
138 116 95 70 57 48 35 30 25 18.3 |
60 50 40 30 25 20 15 12.5 10 7.5 |
58.36 48.86 40.09 29.33 24.07 20.21 14.92 12.47 10.47 7.73 |
2960 2790 2610 2350 2200 2080 1880 1770 1670 1510 |
0.9 1.1 1.4 1.9 2.3 2.1 2.3 4.4 4.0 4.4 |
KM050B | 80B5/B14 | 7124 | |
| 22.4 31 37 45 60 72 86 116 |
148 108 89 75 55 46 39 29 |
40 30 25 20 15 12.5 10 7.5 |
40.09 29.33 24.07 20.21 14.92 12.47 10.47 7.73 |
3030 2730 2550 2410 2180 2050 1930 1750 |
0.9 1.2 1.5 1.3 1.5 2.8 2.6 2.8 |
KM050B | 80B5/B14 | 8016 | |
| 18.5 22.9 27.6 38 44 53 |
176 142 118 85 74 61 |
150 125 100 75 60 50 |
151.56 122.22 101.27 73.33 63.33 52.48 |
3690 3440 3230 2900 2760 2590 |
1.1 1.3 1.3 1.3 2.4 2.5 |
KM063C | 71B5/B14 | 7112 | |
| 46 57 71 |
72 58 47 |
60 50 40 |
60.50 48.71 39.29 |
2720 2530 2350 |
2.8 3.5 3.9 |
KM063B | 71B5/B14 | 7112 | |
| 22.1 26.7 |
147 122 |
60 50 |
63.33 52.48 |
30750 3270 |
1.2 1.2 |
KM063C | 71B5/B14 | 7124 | |
| 23.1 28.7 36 46 57 69 95 |
144 116 93 72 58 48 35 |
60 50 40 30 25 20 15 |
60.50 48.71 39.29 30.31 24.44 20.25 14.67 |
3430 3190 2970 2720 2530 2380 2130 |
1.4 1.7 1.9 2.8 3.1 3.1 3.2 |
KM063B | 71B5/B14 | 7124 | |
| 14.9 18.5 22.9 29.7 37 44 61 71 86 118 |
223 180 154 112 90 75 54 47 39 28 |
60 50 40 30 25 20 15 12.5 10 7.5 |
60.50 48.71 39.29 30.31 24.44 20.25 14.67 12.67 10.50 7.60 |
3970 3690 3440 3150 2930 2760 2470 2360 2210 1990 |
0.9 1.1 1.2 1.8 2.0 2.0 2.0 3.8 3.9 3.9 |
KM063B | 80B5/B14 | 8016 | |
| 9.4 11.6 14.0 18.5 22.2 28.2 37 45 57 |
345 280 233 176 146 115 88 72 57 |
300 250 200 150 125 100 75 60 50 |
297.21 240.89 200.66 151.20 125.95 99.22 75.45 62.43 49.18 |
6320 5890 5540 5040 4750 4380 4000 3750 3470 |
1.0 1.3 1.3 2.0 2.1 2.1 2.3 4.1 4.2 |
KM075C | 71B5 | 7112 | |
| 9.3 11.1 14.1 18.6 22.4 28.5 |
351 292 230 175 145 114 |
150 125 100 75 60 50 |
151.20 125.95 99.22 75.45 62.43 49.18 |
6500 5980 5520 5040 4730 4370 |
1.0 1.0 1.0 1.1 2.1 2.1 |
KM075C | 71B5 | 7124 | |
| 23.6 29.1 35 |
141 114 95 |
60 50 40 |
59.44 48.18 40.13 |
4660 4340 4080 |
2.5 3.1 3.2 |
KM075B | 71B5 | 7124 | |
| 14.4 18.3 |
225 178 |
60 50 |
62.43 49.18 |
5480 5060 |
1.3 1.4 |
KM075C | 80B5/B14 | 8016 | |
| 15.1 18.7 22.4 29.8 36 45 60 |
219 178 148 112 93 73 56 |
60 50 40 30 25 20 15 |
59.44 48.18 40.13 30.24 25.19 19.84 15.09 |
5390 5030 4730 4310 4050 3740 3410 |
1.6 2.0 2.0 3.1 3.2 3.3 3.6 |
KM075B | 80B5/B14 | 8016 | |
| 9.5 11.6 14.0 18.5 22.2 28.2 37 |
343 280 233 176 146 115 88 |
300 250 200 150 125 100 75 |
295.18 240.89 200366 151.20 125.95 99.22 75.45 |
7990 7470 7030 6390 6010 5550 5070 |
1.5 1.8 2.1 2.8 3.3 3.3 3.4 |
KM090C | 71B5 | 7112 | |
| 5.8 7.0 9.3 11.1 14.1 18.6 22.4 28.5 |
559 466 351 292 230 275 145 114 |
250 200 150 125 100 75 60 50 |
240.89 200.66 151.20 125.95 99.22 75.45 62.43 49.18 |
8300 8300 8050 7580 7000 6390 6000 5540 |
0.9 1.0 1.4 1.6 1.6 1.7 3.3 3.3 |
KM090C | 71B5 | 7124 | |
| 23.7 29.1 |
140 114 |
60 50 |
59.04 48.18 |
5980 5500 |
3.6 4.4 |
KM090B | 71B5 | 7124 | |
| 6.0 7.1 9.1 11.9 14.4 18.3 |
546 455 358 273 225 178 |
150 125 100 75 60 50 |
151.20 125.95 99.22 75.45 62.43 49.18 |
8300 8300 8110 7400 6950 6420 |
0.9 1.1 1.1 1.1 2.1 2.1 |
KM090C | 80B5/B14 | 8016 | |
| 15.2 18.7 22.4 |
218 178 148 |
60 50 40 |
59.04 48.18 40.13 |
11020 6370 6000 |
2.3 2.8 3.2 |
KM090B | 80B5/B14 | 8016 | |
| 9.5 11.5 13.6 18.3 |
344 284 240 178 |
300 250 200 150 |
296.10 244.29 206.29 155.33 |
8880 8330 7870 7130 |
2.2 2.6 3.1 4.2 |
KM110C | 71B5 | 7112 | |
| 4.7 5.7 6.8 9.1 10.8 13.5 18.5 |
688 567 479 356 301 241 175 |
300 250 200 150 125 100 75 |
296.10 244.29 206.29 153.33 129.48 103.64 75.55 |
10000 10000 9920 8980 8490 7880 7090 |
1.1 1.3 1.6 2.1 2.5 2.7 3.0 |
KM110C | 71B5 | 7124 | |
| 4.4 5.9 7.0 8.7 11.9 14.0 17.5 |
745 554 468 374 273 232 186 |
200 150 125 100 75 60 50 |
206.29 153.33 129.48 103.64 75.55 64.18 51.37 |
10000 10000 9840 9130 8220 7780 7230 |
1.0 1.4 1.6 1.7 1.9 3.2 3.5 |
KM110C | 80B5 | 8016 | |
| 15.2 18.4 |
219 180 |
60 50 |
59.22 48.86 |
7580 7110 |
3.4 4.2 |
KM110B | 80B5 | 8016 | |
| P1n | n2 [r/min] | M2m [Nm] | i Nominal | i Actual | Fr2 [N] | K | |||
|---|---|---|---|---|---|---|---|---|---|
| 0.55 | 45 53 |
108 90 |
60 50 |
62.36 52.36 |
2400 2270 |
1.2 1.1 |
KM050C | 71B5/B14 | 7122 |
| 48 57 70 95 116 139 188 |
103 86 71 52 42 36 26 |
60 50 40 30 25 20 15 |
58.36 48.86 40.09 29.33 24.07 20.21 14.92 |
2350 2220 2070 1870 1750 1650 1490 |
1.3 1.5 1.8 2.5 3.1 2.8 3.0 |
KM050B | 71B5/B14 | 7122 | |
| 35 48 58 69 94 112 134 181 |
141 103 85 71 53 44 37 27 |
40 30 25 20 15 12.5 10 7.5 |
40.09 29.33 24.07 20.21 14.92 12.47 10.47 7.73 |
261 2350 2200 2080 1880 1770 1670 1510 |
0.9 1.3 1.5 1.4 1.5 3.0 2.7 2.9 |
KM050B | 80B5/B14 | 8014 | |
| 37 45 60 72 86 116 |
132 111 82 110 57 42 |
25 20 15 12.5 10 7.5 |
24.07 20.21 14.92 12.47 10.47 7.73 |
2550 2410 22180 2050 1930 1750 |
1.0 0.9 1.0 1.9 1.7 1.9 |
KM050B | 80B5/B14 | 8026 | |
| 22.9 27.6 38 44 53 |
211 175 127 109 91 |
125 100 75 60 50 |
122.22 101.27 73.33 63.33 52.48 |
3440 3430 2900 2760 2590 |
0.9 0.9 0.9 1.6 1.7 |
KM063C | 71B5/B14 | 7122 | |
| 46 57 71 92 |
107 86 69 53 |
60 50 40 30 |
60.50 48.71 39.29 30.31 |
2720 2530 2350 2160 |
1.9 2.3 2.6 3.7 |
KM063B | 71B5/B14 | 7122 | |
| 23.1 28.7 36 46 57 69 95 110 133 184 |
213 172 139 107 86 71 52 45 37 27 |
60 50 40 30 25 20 15 12.5 10 7.5 |
60.50 48.71 39.29 30.31 24.44 20.25 14.67 12.67 10.50 7.60 |
3430 3190 2970 2720 2530 20630 2130 2030 1910 1710 |
0.9 1.2 1.3 1.9 2.1 2.1 2.1 4.0 4.1 4.1 |
KM063B | 80B5/B14 | 8014 | |
| 22.9 29.7 37 44 61 71 86 118 |
216 166 134 111 80 70 58 42 |
40 30 25 20 15 12.54 10 7.5 |
39.29 30.31 24.44 20.25 14.67 12.67 10.50 7.60 |
3440 3150 2930 2760 2470 2360 2210 1990 |
0.8 1.2 1.3 1.4 4.4 2.6 2.6 2.6 |
KM063B | 80B5/B14 | 8026 | |
| 14.0 18.5 22.2 28.2 37 45 57 |
346 261 217 171 130 108 85 |
200 150 125 100 75 60 50 |
200.66 151.20 125.95 99.22 75.45 62.43 49.18 |
5540 5040 4750 40630 4000 3750 3470 |
0.9 1.3 1.4 1.4 1.5 2.8 2.8 |
KM075C | 71B5 | 7122 | |
| 47 58 70 |
105 85 71 |
60 50 40 |
59.44 48.18 40.13 |
3690 3440 3240 |
3.3 4.1 4.2 |
KM075B | 71B5 | 7122 | |
| 18.6 22.4 28.5 |
260 215 170 |
75 60 50 |
75.45 62.43 49.18 |
5040 4730 4370 |
0.8 1.4 1.4 |
KM075C | 80B5/B14 | 8014 | |
| 23.6 29.1 35 46 56 71 93 |
210 170 142 107 89 70 53 |
60 50 40 30 25 320 15 |
59.44 48.18 40.13 30.24 25.19 19.8 15.09 |
4660 4340 4080 3720 3500 3230 2950 |
1.7 2.1 2.1 3.3 3.4 3.4 3.8 |
KM075B | 80B5/B14 | 8014 | |
| 14.4 18.3 |
335 264 |
60 50 |
62.43 49.18 |
5480 5060 |
0.9 0.9 |
KM075C | 80B5/B14 | 8026 | |
| 15.1 18.7 22.4 29.8 36 45 60 |
326 264 220 166 138 109 83 |
60 50 40 30 25 20 15 |
59.44 48.18 40.13 30.24 25.19 19.84 15.09 |
5390 5030 4730 4310 4050 3740 3410 |
1.1 1.3 1.4 2.1 2.2 2.2 2.4 |
KM075B | 80B5/B14 | 8026 | |
| 9.5 11.6 14.0 18.5 22.2 28.2 37 45 57 |
509 416 346 261 217 171 130 108 85 |
300 250 200 150 125 100 75 60 50 |
295.18 240.89 200.66 151.20 125.95 99.22 75.45 62.43 49.18 |
7990 7470 7030 6390 6010 5550 5070 4760 4390 |
1.0 1.2 1.4 1.9 2.2 2.2 2.3 4.5 4.5 |
KM090C | 71B5 | 7122 | |
| 9.3 11.1 14.1 18.6 22.4 28.5 |
522 435 342 260 215 170 |
150 125 100 75 60 50 |
151.20 125.95 99.22 75.45 62.43 49.18 |
8050 7580 7000 6390 6000 5540 |
1.0 1.1 1.1 1.2 2.2 2.2 |
KM090C | 80B5/B14 | 8014 | |
| 23.7 29.1 35 |
208 170 142 |
60 50 40 |
59.04 48.18 40.13 |
5890 5500 5170 |
2.4 2.9 3.4 |
KM090B | 80B5/B14 | 8014 | |
| 14.4 18.3 |
335 264 |
60 50 |
62.43 49.18 |
6950 6420 |
1.4 1.4 |
KM090C | 80B5/B14 | 8026 | |
| 15.2 18.7 22.4 29.8 36 45 60 |
324 264 220 166 138 109 83 |
60 50 40 30 25 20 15 |
59.04 48.18 40.13 30.24 25.19 19.84 15.09 |
11020 6370 6000 5460 5130 4740 4330 |
1.5 1.9 2.2 3.0 3.5 3.5 3.6 |
KM090B | 80B5/B14 | 8026 | |
| 9.5 11.5 13.6 18.3 21.6 27.0 37 |
511 422 356 265 223 179 130 |
300 250 200 150 125 100 75 |
296.10 244.29 206.29 153.33 129.48 103.64 75.55 |
8880 8330 7870 7130 6740 6260 5630 |
1.5 1.8 2.1 2.8 3.4 3.6 4.0 |
KM110C | 71B5 | 7122 | |
| 5.7 6.8 9.1 10.8 13.5 18.5 21.8 27.3 |
843 712 529 447 358 261 222 177 |
250 200 150 125 100 75 60 50 |
244.29 206.29 153.33 129.48 103.64 75.55 64.18 51.37 |
10000 9920 8980 8490 7880 7090 6720 6240 |
0.9 1.1 1.4 1.7 1.8 2.0 2.4 3.7 |
KM110C | 80B5 | 8014 | |
| 23.6 28.7 |
209 172 |
60 50 |
59.22 48.86 |
6540 6130 |
3.6 4.4 |
KM110B | 80B5 | 8014 | |
| 5.9 7.0 8.7 11.9 14.0 17.5 |
823 695 556 406 345 276 |
150 125 100 75 60 50 |
153.33 129.48 103.64 75.55 64.18 51.37 |
10000 9840 9130 8220 7780 7230 |
0.9 1.1 1.2 1.3 2.2 2.4 |
KM110C | 80B5 | 8026 | |
| 15.2 18.4 21.8 |
325 268 226 |
60 50 40 |
59.22 48.86 41.26 |
7580 7110 6720 |
2.3 2.8 3.3 |
KM110B | 80B5 | 8026 | |
| P1n | n2 [r/min] | M2m [Nm] | i Nominal | i Actual | Fr2 [N] | K | |||
|---|---|---|---|---|---|---|---|---|---|
| 0.75 | 48 57 70 95 116 139 188 225 267 362 |
140 117 96 71 58 49 36 30 25 18.6 |
60 50 40 30 25 20 15 12.5 10 7.5 |
58.36 48.86 40.09 29.33 24.07 20.21 14.92 12.47 10.47 7.73 |
2350 2220 2070 1870 1750 1650 1490 1400 1320 1200 |
0.9 1.1 1.3 1.8 2.2 2.1 2.2 4.3 4.0 4.3 |
KM050B | 80B5/B14 | 8012 |
| 075 090 69 94 112 134 181 |
141 116 97 72 60 50 37 |
30 25 20 15 12.5 10 7.5 |
29.33 24.07 20.21 14.92 12.47 10.47 7.73 |
2350 2200 2080 1880 1770 1670 1510 |
0.9 1.1 1.0 1.1 2.2 2.0 2.2 |
KM050B | 80B5/B14 | 8024 | |
| 72 86 116 |
93 78 58 |
12.5 10 7.5 |
12.47 10.47 7.73 |
2050 1930 1750 |
1.4 1.3 1.4 |
KM050B | 90B5/B14 | 90S6 | |
| 44 53 |
149 124 |
60 50 |
63.33 52.48 |
2760 2590 |
1.2 1.2 |
KM063C | 80B5/B14 | 8012 | |
| 46 57 71 92 115 138 191 |
145 117 94 73 59 49 35 |
60 50 40 30 25 20 15 |
60.50 48.71 39.29 30.31 24.44 20.25 14.67 |
2720 2530 2350 2160 2010 1890 1690 |
1.4 1.7 1.9 2.7 3.1 3.1 3.1 |
KM063B | 80B5/B14 | 8012 | |
| 28.7 36 46 57 69 95 110 133 184 |
234 189 146 118 97 71 61 50 37 |
50 40 30 25 20 15 12.5 10 7.5 |
48.71 39.29 30.31 24.44 20.25 14.67 12.67 10.50 7.60 |
3190 2970 2720 2530 2380 2130 2030 1910 1710 |
0.9 1.0 1.4 1.5 1.5 1.6 3.0 3.0 3.0 |
KM063B | 80B5/B14 | 8024 | |
| 29.7 37 44 61 71 86 118 |
227 183 151 110 95 79 57 |
30 20 25 15 12.5 10 7.5 |
30.31 24.44 20.25 14.67 12.67 10.50 7.60 |
3150 2930 2760 2470 2360 2210 1990 |
0.9 1.0 1.0 1.0 1.9 1.9 1.9 |
KM063B | 90B5/B14 | 90S6 | |
| 18.5 22.2 28.2 37 45 57 |
356 296 234 178 147 116 |
150 125 100 75 60 50 |
151.20 125.95 99.22 75.45 62.43 49.18 |
5040 4750 4380 4000 3750 3470 |
1.0 1.0 1.0 1.1 2.0 2.1 |
KM075C | 80B5/B14 | 8012 | |
| 47 58 70 |
143 116 96 |
60 50 40 |
59.44 48.18 40.13 |
3690 3440 3240 |
2.4 3.0 3.1 |
KM075B | 80B5/B14 | 8012 | |
| 22.4 28.5 |
294 231 |
60 50 |
62.43 49.18 |
4730 4370 |
1.0 1.0 |
KM075C | 80B5/B14 | 8024 | |
| 23.6 29.1 35 46 56 71 93 |
286 232 193 145 121 95 73 |
60 50 40 30 25 20 15 |
59.44 48.18 40.13 30.24 25.19 19.84 15.09 |
4660 4340 4080 3720 3500 3230 2950 |
1.2 1.5 1.6 2.4 2.5 2.5 2.8 |
KM075B | 80B5/B14 | 8024 | |
| 18.7 22.4 29.8 36 45 60 72 91 120 |
360 300 226 188 148 113 93 74 56 |
50 40 30 25 20 15 12.5 10 7.5 |
48.18 40.13 30.24 25.19 19.84 15.09 12.49 9.84 7.48 |
5030 4730 4310 4050 3740 3410 3210 2960 2700 |
1.0 1.0 1.5 1.6 1.6 1.8 3.2 3.3 3.6 |
KM075B | 90B5/B14 | 90S6 | |
| 11.6 14.0 18.5 22.2 28.2 37 45 57 |
567 472 356 296 234 178 147 116 |
250 200 150 125 100 75 60 50 |
240.89 200.66 151.20 125.95 99.22 75.45 62.43 49.18 |
7470 7.30 6390 6010 5550 5070 4760 4390 |
0.9 1.0 1.4 1.6 1.6 1.7 3.3 3.3 |
KM090C | 80B5/B14 | 8012 | |
| 47 58 |
142 116 |
60 50 |
59.04 48.18 |
4670 4360 |
3.5 4.3 |
KM090B | 80B5/B14 | 8012 | |
| 22.4 28.5 |
294 231 |
60 50 |
62.43 49.18 |
6000 5540 |
1.6 1.6 |
KM090C | 80B5/B14 | 8024 | |
| 23.7 29.1 35 46 56 71 93 |
284 232 193 145 121 95 73 |
60 50 40 30 25 20 15 |
59.04 48.18 40.13 30.24 25.19 19.84 15.09 |
5890 5500 5170 4710 4430 4090 3730 |
1.8 2.2 2.5 3.4 4.0 4.0 4.1 |
KM090B | 80B5/B14 | 8024 | |
| 14.4 18.3 |
457 360 |
60 50 |
62.43 49.18 |
6950 6420 |
1.1 1.1 |
KM090C | 90B5/B14 | 90S6 | |
| 15.2 18.7 22.4 29.8 36 45 60 |
442 360 300 226 188 148 113 |
60 50 40 30 25 20 15 |
59.04 48.18 40.13 30.24 25.19 19.84 15.09 |
11020 6370 6000 5460 5130 4740 4740 |
1.1 1.4 1.6 2.2 2.5 2.6 2.7 |
KM090B | 90B5/B14 | 90S6 | |
| 9.5 11.5 13.6 18.3 21.6 27.0 37 |
697 575 485 361 305 244 178 |
300 250 200 150 125 100 75 |
296.10 244.29 206.29 153.33 129.48 103.64 75.55 |
8880 8330 7870 7130 6740 6260 5630 |
1.1 1.3 1.5 2.1 2.5 2.7 2.9 |
KM110C | 80B5 | 8012 | |
| 9.1 10.8 13.5 18.5 21.8 27.3 |
722 609 488 356 302 242 |
150 125 100 75 60 50 |
153.33 129.48 103.64 75.55 64.18 51.37 |
8980 8490 7880 7090 6720 6240 |
1.0 1.2 1.3 1.5 2.5 2.7 |
KM110C | 80B5 | 8024 | |
| 23.6 38.7 34 |
285 235 198 |
60 50 40 |
59.22 48.86 41.26 |
6540 6130 5800 |
2.6 3.2 3.8 |
KM110B | 80B5 | 8024 | |
| 8.7 11.9 14.0 17.5 |
759 553 470 376 |
100 75 60 50 |
103.64 75.55 64.18 51.37 |
9130 8220 7780 7230 |
0.9 0.9 1.6 1.7 |
KM110C | 90B5 | 90S6 | |
| 15.2 18.4 21.8 29.3 35 43 |
443 366 309 229 194 155 |
60 50 40 30 25 20 |
59.22 48.86 41.26 30.67 25.90 20.73 |
7580 7110 6720 6090 5750 5340 |
1.7 2.1 2.4 3.3 3.9 4.2 |
KM110B | 90B5 | 90S6 | |
P=1,1кВт ; 1,5кВт ; 2,2 кВт
|
P1n |
n2 [r/min] |
M2m [Nm] |
i Nominal |
i Actual |
Fr2 [N] |
K |
|
||
|
1.1 |
70 |
141 |
40 |
40.09 |
2070 |
0.9 |
KM050B |
80B5/B14 |
8022 |
|
112 |
88 |
12.5 |
12.47 |
1770 |
1.5 |
KM050B |
90B5/B14 |
90S4 |
|
|
72 |
137 |
12.5 |
12.47 |
2050 |
1.0 |
KM050B |
90B5/B14 |
90L6 |
|
|
46 |
213 |
60 |
60.50 |
2720 |
0.9 |
KM063B |
80B5/B14 |
8022 |
|
|
46 |
214 |
30 |
30.31 |
2720 |
0.9 |
KM063B |
90B5/B14 |
90S4 |
|
|
71 |
139 |
12.5 |
12.67 |
2360 |
1.3 |
KM063B |
90B5/B14 |
90L6 |
|
|
45 |
215 |
60 |
62.43 |
3750 |
1.4 |
KM075C |
80B5/B14 |
8022 |
|
|
47 |
210 |
60 |
59.44 |
3690 |
1.7 |
KM075B |
90B5/B14 |
8022 |
|
|
29.1 |
340 |
50 |
48.18 |
4340 |
1.1 |
KM075B |
90B5/B14 |
90S4 |
|
|
29.8 |
332 |
30 |
30.24 |
4310 |
1.1 |
KM075B |
90B5/B14 |
90L6 |
|
|
18.5 |
522 |
150 |
151.20 |
6390 |
1.0 |
KM090C |
80B5/B14 |
8022 |
|
|
47 |
208 |
60 |
59.04 |
4670 |
2.4 |
KM090B |
80B5/B14 |
8022 |
|
|
22.4 |
431 |
60 |
62.43 |
6000 |
1.1 |
KM090C |
90B5/B14 |
90S4 |
|
|
23.7 |
416 |
60 |
59.04 |
5890 |
1.2 |
KM090B |
90B5/B14 |
90S4 |
|
|
18.7 |
529 |
50 |
48.18 |
6370 |
0.9 |
KM090B |
90B5/B14 |
90L6 |
|
|
11.5 |
843 |
250 |
244.29 |
8330 |
0.9 |
KM110C |
80B5 |
8022 |
|
|
47.3 |
209 |
60 |
59.22 |
5190 |
3.6 |
KM110B |
80B5 |
8022 |
|
|
13.5 |
715 |
100 |
103.64 |
7880 |
0.9 |
KM110C |
90B5 |
90S4 |
|
|
23.6 |
418 |
60 |
59.22 |
6540 |
1.8 |
KM110B |
90B5 |
90S4 |
|
|
14.0 |
689 |
60 |
64.18 |
7780 |
1.1 |
KM110C |
90B5 |
90L6 |
|
|
15.2 |
650 |
60 |
59.22 |
7580 |
1.2 |
KM110B |
90B5 |
90L6 |
|
|
P1n |
n2 [r/min] |
M2m [Nm] |
i Nominal |
i Actual |
Fr2 [N] |
K |
|
||
|
1.5 |
95 |
141 |
30 |
29.33 |
1870 |
0.9 |
KM050B |
90B5/B14 |
90S2 |
|
112 |
120 |
12.5 |
12.47 |
1770 |
1.1 |
KM050B |
90B5/B14 |
90L4 |
|
|
57 |
234 |
50 |
48.71 |
1530 |
0.9 |
KM063B |
90B5/B14 |
90S2 |
|
|
57 |
235 |
25 |
24.44 |
2530 |
0.8 |
KM063B |
90B5/B14 |
90L4 |
|
|
45 |
294 |
60 |
62.43 |
3750 |
1.0 |
KM075C |
90B5/B14 |
90S2 |
|
|
47 |
286 |
60 |
59.44 |
3690 |
1.2 |
KM075B |
90B5/B14 |
90S2 |
|
|
35 |
386 |
40 |
40.13 |
4080 |
0.8 |
KM075B |
90B5/B14 |
90L4 |
|
|
45 |
297 |
20 |
19.84 |
3740 |
0.9 |
KM075B |
100B5/B14 |
100L6 |
|
|
45 |
294 |
60 |
62.43 |
4760 |
1.6 |
KM090C |
90B5/B14 |
90S2 |
|
|
47 |
284 |
60 |
59.04 |
4670 |
1.8 |
KM090B |
90B5/B14 |
90S2 |
|
|
23.7 |
568 |
60 |
59.04 |
5890 |
0.9 |
KM090B |
90B5/B14 |
90L4 |
|
|
29.8 |
452 |
30 |
30.24 |
5460 |
1.1 |
KM090B |
100B5/B14 |
100L6 |
|
|
18.3 |
722 |
150 |
153.33 |
7130 |
1.0 |
KM100C |
90B5 |
90S2 |
|
|
47 |
285 |
60 |
59.22 |
5190 |
2.6 |
KM100B |
90B5 |
90S2 |
|
|
21.8 |
604 |
60 |
64.18 |
6720 |
1.2 |
KM100C |
90B5 |
90L4 |
|
|
23.6 |
570 |
60 |
59.22 |
6540 |
1.3 |
KM100B |
90B5 |
90L4 |
|
|
15.2 |
886 |
60 |
59.22 |
7580 |
0.8 |
KM100B |
100B5/B14 |
100L6 |
|
|
P1n |
n2 [r/min] |
M2m [Nm] |
i Nominal |
i Actual |
Fr2 [N] |
K |
|
||
|
2.2 |
225 |
88 |
12.5 |
12.47 |
1400 |
1.5 |
KM050B |
90B5/B14 |
90L2 |
|
92 |
214 |
30 |
30.31 |
2160 |
0.9 |
KM063B |
90B5/B14 |
90L2 |
|
|
58 |
340 |
50 |
48.18 |
3440 |
1.0 |
KM075B |
90B5/B14 |
90L2 |
|
|
56 |
355 |
25 |
25.19 |
3500 |
0.8 |
KM075B |
100B5/B14 |
100L1-4 |
|
|
72 |
274 |
12.5 |
12.49 |
3210 |
1.1 |
KM075B |
112B5/B14 |
112M6 |
|
|
45 |
431 |
60 |
62.43 |
4760 |
1.1 |
KM090C |
90B5/B14 |
90L2 |
|
|
47 |
416 |
60 |
59.04 |
4670 |
1.2 |
KM090B |
90B5/B14 |
90L2 |
|
|
35 |
566 |
40 |
40.13 |
5170 |
0.8 |
KM090B |
100B5/B14 |
100L1-4 |
|
|
36 |
553 |
25 |
25.19 |
5130 |
0.9 |
KM090B |
112B5/B14 |
112M6 |
|
|
27.0 |
715 |
100 |
103.64 |
6260 |
0.9 |
KM110C |
90B5 |
90L2 |
|
|
47 |
418 |
60 |
59.22 |
5190 |
1.8 |
KM110B |
90B5 |
90L2 |
|
|
23.6 |
835 |
60 |
59.22 |
6540 |
0.9 |
KM110B |
100B5/B14 |
100L1-4 |
|
|
29.3 |
673 |
30 |
30.67 |
6090 |
1.1 |
KM110B |
112B5/B14 |
112M6 |
|
P=3,0кВт ; 4,0кВт ; 5,5 кВт; 7,5кВт.
|
P1n |
n2 [r/min] |
M2m [Nm] |
i Nominal |
i Actual |
Fr2 [N] |
K |
|
||
|
3.0 |
70 |
386 |
40 |
40.13 |
3240 |
0.8 |
KM075B |
100B5/B14 |
100L2 |
|
112 |
240 |
12.5 |
12.49 |
2770 |
1.2 |
KM075B |
100B5/B14 |
100L2-4 |
|
|
47 |
568 |
60 |
59.04 |
4670 |
0.9 |
KM090B |
100B5/B14 |
100L2 |
|
|
46 |
582 |
30 |
30.24 |
4710 |
0.9 |
KM090B |
100B5/B14 |
100LB4 |
|
|
44 |
604 |
60 |
64.18 |
5330 |
1.2 |
KM110C |
100B5/B14 |
100L2 |
|
|
47 |
570 |
60 |
59.22 |
5190 |
1.3 |
KM110B |
100B5/B14 |
100L2 |
|
|
34 |
794 |
40 |
41.26 |
5800 |
0.9 |
KM110B |
100B5/B14 |
100L2-4 |
|
|
35 |
775 |
25 |
25.90 |
5750 |
1.0 |
KM110B |
132B5 |
132S6 |
|
|
P1n |
n2 [r/min] |
M2m [Nm] |
i Nominal |
i Actual |
Fr2 [N] |
K |
|
||
|
4.0 |
93 |
388 |
30 |
30.24 |
2950 |
0.9 |
KM075B |
112B5/B14 |
112M2 |
|
112 |
320 |
12.5 |
12.49 |
2770 |
0.9 |
KM075B |
112B5/B14 |
112M4 |
|
|
70 |
515 |
40 |
40.13 |
4110 |
0.9 |
KM090B |
112B5/B14 |
112M2 |
|
|
112 |
320 |
12.5 |
12.49 |
3510 |
1.5 |
KM090B |
112B5/B14 |
112M4 |
|
|
44 |
806 |
60 |
64.18 |
5330 |
0.9 |
KM110C |
112B5/B14 |
112M2 |
|
|
47 |
759 |
60 |
59.22 |
5190 |
1.0 |
KM110B |
112B5/B14 |
112M2 |
|
|
46 |
787 |
30 |
30.67 |
5250 |
1.0 |
KM110B |
112B5/B14 |
112M4 |
|
|
P1n |
n2 [r/min] |
M2m [Nm] |
i Nominal |
i Actual |
Fr2 [N] |
K |
|
||
|
5.5 |
57 |
862 |
50 |
48.86 |
4870 |
0.9 |
KM110B |
132B5 |
132S2 |
|
110 |
731 |
20 |
20.73 |
4610 |
0.9 |
KM110B |
132B5 |
132S4 |
|
|
P1n |
n2 |
M2m |
i |
i |
Fr2 |
K |
|
||
|
7.5 |
91 |
737 |
30 |
30.67 |
4170 |
1.0 |
KM110B |
132B5 |
132M2 |
|
109 |
617 |
12.5 |
12.84 |
3930 |
1.2 |
KM110B |
132B5 |
132M4 |
|
Дополнительная информация
Объем заливаемого масла в КМ
| Окружающая температура (С?) | ISO Класс Вязкости | SHELL | MOBIL | BP | Тип смазки | |
|---|---|---|---|---|---|---|
| KM.. | -10 ~ +40 | VG220 | Shell Omala 220 | Mobil gear 630 | BP Energol GX-XP 220 | Минеральные масла |
| -20 ~ +25 | VG150 VG100 | Shell Omala 100 | Mobil gear 627 | BP Energol GX-XP 100 | ||
| -30 ~ +10 | VG110-46 VG32 | Shell Omala T32 | Mobil D.T.E. 13M | |||
| -40 ~ -20 | VG22 VG15 | Shell Omala T15 | Mobil D.T.E. 11M | BP Energol HLP-HM 15 | ||
| -40 ~ +80 | VG220 | Shell Omala HD220 | Mobil SHC630 | Синтетические масла | ||
| -40 ~ +40 | VG150 | Mobil SHC629 | ||||
| -40 ~ +10 | VG32 | Mobil SHC624 |
|
Gear units |
Объем заливаемого масла в литрах - (L) |
|||||
|---|---|---|---|---|---|---|
|
B3 |
B6 |
B7 |
B8 |
V5 |
V6 |
|
| KM050B | 0.32 | 0.3 | 0.2 | 0.2 | 0.35 | 0.25 |
| KM050C | 0.48 | 0.46 | 0.45 | 0.48 | 0.52 | 0.46 |
| KM063B | 0.6 | 0.56 | 0.4 | 0.42 | 0.62 | 0.4 |
| KM063C | 1.1 | 1 | 1 | 1.1 | 1.3 | 0.9 |
| KM075B | 0.9 | 0.7 | 0.65 | 0.9 | 1.2 | 0.7 |
| KM075C | 1.5 | 1.5 | 1.45 | 1.5 | 1.8 | 1.45 |
| KM090B | 1.5 | 1.3 | 1.2 | 1.2 | 1.8 | 1.25 |
| KM090C | 2.5 | 2.3 | 2.1 | 2.45 | 2.8 | 2.2 |
| KM110B | 2.5 | 2.2 | 1.9 | 2.1 | 3 | 2 |
| KM110C | 4.7 | 4.5 | 4.3 | 4.7 | 5 | 4.5 |
Возможные комбинации 2х-3х ступенчатых ред.
|
KM 050.. n1 = 1400r/min - 130Nm
|
|||||||||
|---|---|---|---|---|---|---|---|---|---|
| Gear units |
i Nominal | i Actual | n2 [r/min] | M2max [Nm] | Fr2 [N] | 63B5 | 71B5 71B14 | 80B5 80B14 | 90B5 90B14 |
| 3/Stage | |||||||||
| KM050C | 300 | 291.79 | 4.8 | 130 | 4100 | ||||
| KM050C | 250 | 244.29 | 5.7 | 130 | 4100 | ||||
| KM050C | 200 | 200.44 | 7.0 | 130 | 4100 | ||||
| KM050C | 150 | 146.67 | 9.5 | 130 | 4000 | ||||
| KM050C | 125 | 120.34 | 11.6 | 100 | 3770 | ||||
| KM050C | 100 | 101.04 | 13.9 | 80 | 3560 | ||||
| KM050C | 75 | 74.62 | 18.8 | 130 | 3220 | ||||
| KM050C | 60 | 62.36 | 22 | 100 | 3030 | ||||
| KM050C | 50 | 52.36 | 27 | 110 | 2860 | ||||
| 2/Stage | |||||||||
| KM050B | 60 | 58.63 | 24 | 130 | 2960 | ||||
| KM050B | 50 | 48.96 | 29 | 130 | 2790 | ||||
| KM050B | 40 | 40.09 | 35 | 130 | 2610 | ||||
| KM050B | 30 | 29.33 | 48 | 130 | 2350 | ||||
| KM050B | 25 | 24.07 | 58 | 130 | 2200 | ||||
| KM050B | 20 | 20.21 | 69 | 100 | 2080 | ||||
| KM050B | 15 | 14.92 | 94 | 80 | 1880 | ||||
| KM050B | 12.5 | 12.47 | 112 | 130 | 1770 | ||||
| KM050B | 10 | 10.47 | 134 | 100 | 1670 | ||||
| KM050B | 7.5 | 7.73 | 181 | 80 | 1510 | ||||
| KM 063.. n1 = 1400r/min - 200Nm | |||||||||
|---|---|---|---|---|---|---|---|---|---|
| Gear units | i Nominal | i Actual | n2 [r/min] | M2max [Nm] | Fr2 [N] | 63B5 | 71B5 71B14 | 80B5 80B14 | 90B5 90B14 |
| 3/Stage | |||||||||
| KM063C | 300 | 302.5 | 4.6 | 200 | 4800 | ||||
| KM063C | 250 | 243.57 | 5.7 | 200 | 4800 | ||||
| KM063C | 200 | 196.43 | 7.1 | 190 | 4800 | ||||
| KM063C | 150 | 151.56 | 9.2 | 200 | 4650 | ||||
| KM063C | 125 | 122.22 | 11.5 | 180 | 4330 | ||||
| KM063C | 100 | 107.27 | 13.8 | 150 | 4070 | ||||
| KM063C | 75 | 73.33 | 19.1 | 110 | 3650 | ||||
| KM063C | 60 | 63.33 | 22 | 180 | 3480 | ||||
| KM063C | 50 | 52.48 | 27 | 150 | 3270 | ||||
| 2/Stage | |||||||||
| KM063B | 60 | 60.50 | 23 | 200 | 3430 | ||||
| KM063B | 50 | 48.71 | 29 | 200 | 3190 | ||||
| KM063B | 40 | 39.29 | 36 | 180 | 2970 | ||||
| KM063B | 30 | 30.31 | 46 | 200 | 2720 | ||||
| KM063B | 25 | 24.44 | 57 | 180 | 2530 | ||||
| KM063B | 20 | 20.25 | 69 | 150 | 2380 | ||||
| KM063B | 15 | 14.67 | 95 | 110 | 2130 | ||||
| KM063B | 12.5 | 12.67 | 110 | 180 | 2030 | ||||
| KM063B | 10 | 10.50 | 133 | 150 | 1910 | ||||
| KM063B | 7.5 | 7.60 | 184 | 110 | 1710 | ||||
| KM 075.. n1 = 1400r/min - 350Nm | |||||||||||
|---|---|---|---|---|---|---|---|---|---|---|---|
| Gear units | i Nominal | i Actual | n2 [r/min] | M2max [Nm] | Fr2 [N] | 63B5 | 71B5 71B14 | 80B5 80B14 | 90B5 90B14 | 100B5 100B14 | 112B5 112B14 |
| 3/Stage | |||||||||||
| KM075C | 300 | 297.21 | 4.7 | 350 | 6500 | ||||||
| KM075C | 250 | 240.89 | 5.8 | 350 | 6500 | ||||||
| KM075C | 200 | 200.86 | 7.0 | 300 | 6500 | ||||||
| KM075C | 150 | 151.20 | 9.3 | 350 | 6500 | ||||||
| KM075C | 125 | 125.95 | 11.1 | 300 | 5980 | ||||||
| KM075C | 100 | 99.22 | 14.1 | 240 | 5520 | ||||||
| KM075C | 75 | 75.45 | 18.6 | 200 | 5040 | ||||||
| KM075C | 60 | 62.43 | 22 | 300 | 4730 | ||||||
| KM075C | 50 | 49.18 | 28 | 240 | 4370 | ||||||
| 2/Stage | |||||||||||
| KM075B | 60 | 59.44 | 24 | 350 | 4660 | ||||||
| KM075B | 50 | 48.18 | 29 | 350 | 4340 | ||||||
| KM075B | 40 | 40.13 | 35 | 300 | 4080 | ||||||
| KM075B | 30 | 30.24 | 46 | 350 | 3720 | ||||||
| KM075B | 25 | 25.19 | 56 | 300 | 3500 | ||||||
| KM075B | 20 | 19.84 | 71 | 240 | 3230 | ||||||
| KM075B | 15 | 15.09 | 93 | 200 | 2950 | ||||||
| KM075B | 12.5 | 12.49 | 112 | 300 | 2770 | ||||||
| KM075B | 10 | 9.84 | 142 | 240 | 2550 | ||||||
| KM075B | 7.5 | 7.48 | 187 | 200 | 2330 | ||||||
| KM 090.. n1 = 1400r/min - 500Nm | |||||||||||
|---|---|---|---|---|---|---|---|---|---|---|---|
| Gear units | i Nominal | i Actual | n2 [r/min] | M2max [Nm] | Fr2 [N] | 63B5 | 71B5 71B14 | 80B5 80B14 | 90B5 90B14 | 100B5 100B14 | 112B5 112B14 |
| 3/Stage | |||||||||||
| KM090C | 300 | 295.18 | 4.7 | 500 | 8300 | ||||||
| KM090C | 250 | 240.89 | 5.8 | 500 | 8300 | ||||||
| KM090C | 200 | 200.66 | 7.0 | 480 | 8300 | ||||||
| KM090C | 150 | 151.20 | 9.3 | 500 | 8050 | ||||||
| KM090C | 125 | 125.95 | 11.1 | 480 | 7580 | ||||||
| KM090C | 100 | 99.22 | 14.1 | 380 | 7000 | ||||||
| KM090C | 75 | 75.45 | 18.6 | 300 | 6390 | ||||||
| KM090C | 60 | 62.43 | 22 | 480 | 6000 | ||||||
| KM090C | 50 | 49.18 | 28 | 380 | 5540 | ||||||
| 2/Stage | |||||||||||
| KM090B | 60 | 59.04 | 24 | 500 | 5890 | ||||||
| KM090B | 50 | 48.18 | 29 | 500 | 5500 | ||||||
| KM090B | 40 | 40.13 | 35 | 480 | 5170 | ||||||
| KM090B | 30 | 30.24 | 46 | 500 | 4710 | ||||||
| KM090B | 25 | 25.19 | 56 | 480 | 4430 | ||||||
| KM090B | 20 | 19.84 | 71 | 380 | 4090 | ||||||
| KM090B | 15 | 15.09 | 93 | 300 | 9730 | ||||||
| KM090B | 12.5 | 12.49 | 112 | 480 | 3510 | ||||||
| KM090B | 10 | 9.84 | 142 | 380 | 3240 | ||||||
| KM090B | 7.5 | 7.48 | 187 | 300 | 2950 | ||||||
| KM 110.. n1 = 1400r/min - 750Nm | |||||||||||
|---|---|---|---|---|---|---|---|---|---|---|---|
| Gear units | i Nominal | i Actual | n2 [r/min] | M2max [Nm] | Fr2 [N] | 71B5 | 80B5 | 90B5 | 100B5 100B14 | 112B5 112B14 | 132B5 |
| 3/Stage | |||||||||||
| KM090C | 300 | 296.10 | 4.7 | 750 | 10000 | ||||||
| KM090C | 250 | 244.29 | 5.7 | 750 | 10000 | ||||||
| KM090C | 200 | 206.29 | 6.8 | 750 | 9920 | ||||||
| KM090C | 150 | 153.33 | 9.1 | 750 | 8980 | ||||||
| KM090C | 125 | 129.48 | 10.8 | 750 | 8490 | ||||||
| KM090C | 100 | 103.64 | 13.5 | 650 | 7880 | ||||||
| KM090C | 75 | 75.55 | 18.5 | 520 | 7090 | ||||||
| KM090C | 60 | 64.18 | 22 | 750 | 6720 | ||||||
| KM090C | 50 | 51.37 | 27 | 650 | 6240 | ||||||
| 2/Stage | |||||||||||
| KM110B | 60 | 59.22 | 24 | 750 | 6540 | ||||||
| KM110B | 50 | 48.86 | 29 | 750 | 6130 | ||||||
| KM110B | 40 | 41.26 | 34 | 750 | 5800 | ||||||
| KM110B | 30 | 30.67 | 46 | 750 | 5250 | ||||||
| KM110B | 25 | 25.90 | 54 | 750 | 4960 | ||||||
| KM110B | 20 | 20.73 | 110 | 650 | 4610 | ||||||
| KM110B | 15 | 15.11 | 93 | 520 | 4150 | ||||||
| KM110B | 12.5 | 12.84 | 109 | 750 | 3930 | ||||||
| KM110B | 10 | 10.27 | 136 | 650 | 3650 | ||||||
| KM110B | 7.5 | 7.49 | 187 | 520 | 3280 | ||||||
Технические характеристики
| M2max [Nm] | n2 [r/min] | i Nominal | i Actual | P1n [kW] | Fr2 [N] | Fr1 [N] | |
|---|---|---|---|---|---|---|---|
| 130 130 130 130 130 100 80 130 100 |
4.8 5.7 7.0 9.5 11.6 13.9 18.8 22.5 27 |
300 250 200 150 125 100 75 60 50 |
291.79 244.59 200.44 146.67 120.34 101.04 74.62 62.36 52.36 |
0.07 0.08 0.10 0.14 0.17 0.16 0.17 0.33 0.30 |
4100 4100 4100 4000 3770 3560 3220 3030 05060 |
400 400 400 400 400 400 400 400 400 |
KM050C..HS |
| 130 130 130 130 130 100 80 130 100 80 |
24 29 35 075 090 69 94 112 134 181 |
60 50 40 30 25 20 15 12.5 10 7.5 |
58.36 48.86 40.09 29.33 24.07 20.21 14.92 12.47 10.47 7.73 |
0.35 0.41 0.51 0.69 0.84 0.77 0.84 1.6 1.5 1.6 |
2960 2790 2610 2350 2200 2080 1880 1770 1670 1510 |
400 400 400 400 400 400 400 400 400 400 |
KM050B..HS |
| 200 200 180 200 180 150 110 180 150 |
4.6 5.7 7.1 9.2 11.5 13.8 19.1 22 27 |
300 250 200 150 125 100 75 60 50 |
302.50 243.57 196.43 151.56 122.22 101.27 73.33 63.33 52.48 |
0.11 0.13 0.15 0.21 0.23 0.24 0.24 0.45 0.46 |
4800 4800 4800 4650 4330 4070 3650 3480 3270 |
400 400 400 400 400 400 400 400 400 |
KM063C..HS |
| 200 200 180 200 180 150 110 180 150 110 |
23 29 36 46 57 69 95 110 133 184 |
60 50 40 30 25 20 15 12.5 10 7.5 |
60.50 48.71 39.29 3.31 24.44 20.25 14.67 12.67 10.50 7.60 |
0.52 0.64 0.71 1.0 1.1 1.2 1.2 2.2 2.2 2.3 |
3430 3190 2970 2720 2530 2380 2130 2030 1910 1710 |
530 530 530 530 530 530 530 530 530 530 |
KM063B..HS |
| 350 350 300 350 300 240 200 300 240 |
4.7 5.8 7.0 9.3 11.1 14.1 18.6 22 050 |
300 250 200 150 125 100 75 60 50 |
297.21 240.86 200.66 151.20 125.95 99.22 75.45 62.43 49.18 |
0.19 0.23 0.24 0.37 0.38 0.39 0.42 0.77 0.78 |
6500 6500 6500 6500 5980 5520 5040 4730 4370 |
560 560 560 560 560 560 560 560 560 |
KM075C..HS |
| 350 350 300 350 300 240 200 300 240 200 |
24 29 35 46 56 71 93 112 142 187 |
60 50 40 30 25 20 15 12.5 10 7.5 |
59.44 48.18 40.13 30.24 25.19 19.84 15.09 12.49 9.84 7.48 |
0.92 1.1 1.2 1.8 1.9 1.9 2.1 3.7 3.8 4.2 |
4660 4340 4080 3720 3500 3230 2950 2770 2550 2330 |
860 860 860 860 860 860 860 860 860 860 |
KM075B..HS |
| 500 500 480 500 480 380 300 480 380 |
4.7 5.8 7.0 9.3 11.1 14.1 18.6 22 050 |
300 250 200 150 125 100 75 60 50 |
295.18 240.89 200.66 151.20 125.95 99.22 75.45 62.43 49.18 |
0.27 0.33 0.38 0.53 0.61 0.61 0.63 1.2 1.2 |
8300 8300 8300 8050 7580 7000 6390 6000 5540 |
560 560 560 560 560 560 560 560 560 |
KM090C..HS |
| 500 500 480 500 480 380 300 480 380 300 |
24 29 35 46 56 71 93 112 142 187 |
60 50 40 30 25 20 15 12.5 10 7.5 |
59.04 48.18 40.13 30.24 25.19 19.84 15.09 12.49 9.84 7.075 |
1.3 1.6 1.9 2.6 3.0 3.0 3.1 6.0 6.0 6.3 |
5890 5500 5170 4710 4430 4090 3730 3510 3240 2950 |
1260 1260 1260 1260 1260 1260 1260 1260 1260 1260 |
KM090B..HS |
| 750 750 750 750 750 650 520 750 650 |
4.7 5.7 6.8 9.1 10.8 13.5 18.5 22 27 |
300 250 200 150 125 100 75 60 50 |
296.10 244.29 206.29 153.33 129.48 103.64 75.55 64.18 51.37 |
0.40 0.49 0.58 0.78 0.92 1.0 1.1 1.9 2.0 |
10000 10000 9920 8980 8490 7880 7090 6720 6240 |
740 740 740 740 740 740 740 740 740 |
KM110C..HS |
| 750 750 750 750 750 650 520 750 350 520 |
24 29 35 46 54 110 93 109 136 187 |
60 50 40 30 25 20 15 12.5 10 7.5 |
59.22 48.86 41.26 30.67 25.90 20.73 15.11 12.84 10.27 7.49 |
2.0 2.4 2.8 3.8 4.5 4.9 5.4 9.1 9.9 10.8 |
6540 6130 5800 5250 4960 4610 4150 3930 3650 3280 |
1490 1490 1490 1490 1490 1490 1490 1490 1490 1490 |
KM110B..HS |
Габаритные размеры
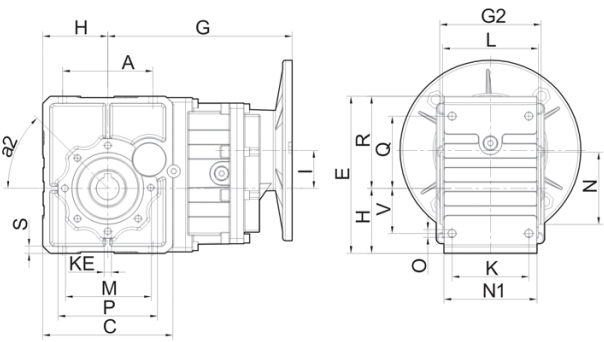
Размеры редуктора КМ

| KM | A | C | E | G | H | I | K | KE | a2 | L | M | Nh8 | N1 | O | P | Q | R | S | V | kg |
|---|---|---|---|---|---|---|---|---|---|---|---|---|---|---|---|---|---|---|---|---|
| 050B | 80 | 20 | 144 | 190.5 | 60 | 40.35 | 70 | 4-M8*12 | 45? | 87 | 85 | 70 | 85 | 8.5 | 100 | 64 | 84 | 7 | 40 | 6 |
| 050C | 80 | 20 | 144 | 203 | 60 | 4.8 | 70 | 4-M8*12 | 45? | 87 | 85 | 70 | 85 | 8.5 | 100 | 64 | 84 | 7 | 40 | 6.7 |
| 063B | 100 | 44 | 174 | 204 | 72 | 42 | 85 | 7-M8*14 | 45? | 106 | 95 | 80 | 103 | 8.5 | 110 | 80 | 102 | 8 | 50 | 9.8 |
| 063C | 100 | 44 | 174 | 216 | 72 | 6.5 | 85 | 7-M8*14 | 45? | 106 | 95 | 80 | 103 | 8.5 | 110 | 80 | 102 | 8 | 50 | 10.6 |
| 075B | 120 | 72 | 205 | 243.5 | 86 | 52.3 | 90 | 7-M8*16 | 45? | 114 | 115 | 95 | 112 | 11 | 140 | 93 | 119 | 10 | 60 | 11.8 |
| 075C | 120 | 72 | 205 | 261.5 | 86 | 8.3 | 90 | 7-M8*16 | 45? | 114 | 115 | 95 | 112 | 11 | 140 | 93 | 119 | 10 | 60 | 12.9 |
| 090B | 140 | 206 | 238 | 269 | 103 | 63.11 | 100 | 7-M10*22 | 45? | 134 | 130 | 110 | 130 | 13 | 160 | 102 | 135 | 11 | 70 | 17.6 |
| 090C | 140 | 206 | 238 | 285.5 | 103 | 19.11 | 100 | 7-M10*22 | 45? | 134 | 130 | 110 | 130 | 13 | 160 | 102 | 135 | 11 | 70 | 18.5 |
| 110B | 170 | 255 | 295 | 368 | 127.5 | 72 | 115 | 7-M10*25 | 45? | 148 | 165 | 130 | 144 | 14 | 200 | 125 | 167.5 | 13 | 85 | 47.2 |
| 110C | 170 | 255 | 295 | 390 | 127.5 | 10 | 115 | 7-M10*25 | 45? | 148 | 165 | 130 | 144 | 14 | 200 | 125 | 167.5 | 13 | 85 | 50 |
КМ..HS / Контурные измерения
|
|
KM | I | U | E1 | D1i6 | T1 | F1 | G1 |
|---|---|---|---|---|---|---|---|---|
| 050B | 40.35 | 187 | 23 | 11 | 12.5 | 4 | - | |
| 050C | 4.8 | 199.5 | 23 | 11 | 12.5 | 4 | - | |
| 063B | 42 | 199 | 30 | 14 | 16 | 5 | M6 | |
| 063C | 6.5 | 211 | 23 | 11 | 12.5 | 4 | - | |
| 075B | 52.3 | 237.5 | 40 | 16 | 18 | 5 | M6 | |
| 075C | 8.3 | 256 | 30 | 14 | 16 | 5 | M6 | |
| 090B | 63.11 | 263 | 40 | 19 | 21.5 | 6 | M6 | |
| 090C | 19.11 | 279 | 30 | 14 | 16 | 5 | M6 | |
| 110B | 72 | 356 | 50 | 24 | 27 | 8 | M6 | |
| 110C | 10 | 378 | 40 | 19 | 21.5 | 6 | M6 |
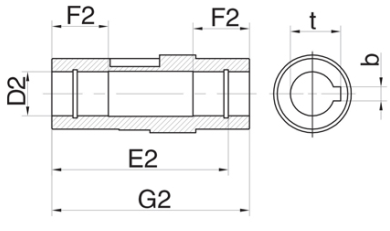
KM.. / Размеры полого выходного вала
|
|
KM | F2 | E2 | G2 | D2H8 | b | t |
|---|---|---|---|---|---|---|---|
| 050 | 30 | 77 | 92 | 20 | 6 | 22.8 | |
| 24 | 8 | 27.3 | |||||
| 25 | 8 | 28.3 | |||||
| 063 | 36 | 97 | 112 | 25 | 8 | 28.3 | |
| 28 | 8 | 31.3 | |||||
| 30 | 8 | 33.3 | |||||
| 075 | 40 | 105 | 120 | 28 | 8 | 31.3 | |
| 30 | 8 | 33.3 | |||||
| 35 | 10 | 38.3 | |||||
| 090 | 45 | 122 | 140 | 35 | 10 | 38.3 | |
| 38 | 10 | 41.3 | |||||
| 40 | 12 | 43.3 | |||||
| 110 | 50 | 131 | 155 | 40 | 12 | 43.3 | |
| 42 | 12 | 45.3 | |||||
| 45 | 14 | 48.3 |
KM..F / Размеры выходного фланца

|
FA |
FB | FC | |||||||||||||||||||||||||
|---|---|---|---|---|---|---|---|---|---|---|---|---|---|---|---|---|---|---|---|---|---|---|---|---|---|---|---|
| KM | a1 | KA | KB | KC | KM | KNH8 | KO | KP | KQ | a1 | KA | KB | KC | KM | KNH8 | KO | KP | KQ | a1 | KA | KB | KC | KM | KNH8 | KO | KP | KQ |
| 050 | 45? | 90 | 9 | 5 | 85 | 70 | 11 (n=4) | 125 | 110 | 45? | 120 | 9 | 5 | 85 | 70 | 11 | 125 | 110 | 45? | 89 | 10 | 5 | 130 | 110 | 9.5 | 160 | - |
| 063 | 45? | 82 | 10 | 6 | 150 | 115 | 11 (n=4) | 180 | 142 | 45? | 112 | 10 | 6 | 150 | 115 | 11 | 180 | 142 | 45? | 98 | 10 | 5 | 165 | 130 | 11 | 200 | - |
| 075 | 45? | 111 | 13 | 6 | 165 | 130 | 14 (n=4) | 20 | 170 | - | - | - | - | - | - | - | - | - | - | - | - | - | - | - | - | - | - |
| 090 | 45? | 111 | 13 | 6 | 175 | 152 | 14 (n=4) | 210 | 200 | 45? | 122 | 18 | 6 | 215 | 180 | 14 | 250 | - | 45? | 110 | 17 | 6 | 165 | 130 | 11 | 200 | - |
| 110 | 45? | 139 | 15 | 6 | 230 | 170 | 14 (n=8) | 180 | 260 | - | - | - | - | - | - | - | - | - | |||||||||
|
FD |
FE |
||||||||||||||||||||||||||
| KM | a1 | KA | KB | KC | KM | KNH8 | KO | KP | KQ | a1 | KA | KB | KC | KM | KNH8 | KO | KP | KQ | |||||||||
| 050 | 45? | 72 | 14.5 | 5 | 115 | 95 | 11 | 140 | - | - | - | - | - | - | - | - | - | - | |||||||||
| 063 | - | - | - | - | - | - | - | - | - | 45? | 80.5 | 16.5 | 5 | 130 | 110 | 11 | 160 | - | |||||||||
| 075 | - | - | - | - | - | - | - | - | - | - | - | - | - | - | - | - | - | - | |||||||||
| 090 | 45? | 151 | 13 | 6 | 175 | 152 | 14 | 210 | - | - | - | - | - | - | - | - | - | - | |||||||||
КМ .. IEC / Размеры входного фланца

| KM | IEC | N | M | P | b1 | t1 | s1 | i | |||||||||||||||||||||
|---|---|---|---|---|---|---|---|---|---|---|---|---|---|---|---|---|---|---|---|---|---|---|---|---|---|---|---|---|---|
| 7.5 | 10 | 12.5 | 15 | 20 | 25 | 30 | 40 | 50 | 60 | 50 | 60 | 75 | 100 | 125 | 150 | 200 | 250 | 300 | |||||||||||
|
B5 |
B14 |
B5 |
B14 |
B5 |
B14 | D | |||||||||||||||||||||||
| B | C | ||||||||||||||||||||||||||||
| 050 | 63B5 | 95 | - | 115 | - | 140 | - | 4 | 12.8 | 5 | 11 | 11 | 11 | 11 | 11 | 11 | 11 | 11 | 11 | 11 | 11 | 11 | 11 | 11 | 11 | 11 | 11 | 11 | 11 |
| 71B5/B14 | 110 | 70 | 130 | 85 | 160 | 105 | 5 | 16.3 | 5 | 14 | 14 | 14 | 14 | 14 | 14 | 14 | 14 | 14 | 14 | 14 | 14 | 14 | 14 | 14 | - | - | - | - | |
| 80B5/B14 | 130 | 80 | 165 | 100 | 200 | 120 | 6 | 21.8 | 5 | 19 | 19 | 19 | 19 | 19 | 19 | 19 | 19 | 19 | 19 | - | - | - | - | - | - | - | - | - | |
| 90B5/B14 | 130 | 95 | 165 | 115 | 200 | 140 | 8 | 27.3 | 5 | 24 | 24 | 24 | 24 | 24 | 24 | 24 | - | - | - | - | - | - | - | - | - | - | - | - | |
| 063 | 63B5 | 95 | - | 115 | - | 140 | - | 4 | 12.8 | 5 | - | - | - | - | - | - | 11 | 11 | 11 | 11 | 11 | 11 | 11 | 11 | 11 | 11 | 11 | 11 | 11 |
| 71B5/B14 | 110 | 70 | 130 | 85 | 160 | 105 | 5 | 16.3 | 5 | - | - | - | 14 | 14 | 14 | 14 | 14 | 14 | 14 | 14 | 14 | 14 | 14 | 14 | - | - | - | - | |
| 80B5/B14 | 130 | 80 | 165 | 100 | 200 | 120 | 6 | 21.8 | 5 | 19 | 19 | 19 | 19 | 19 | 19 | 19 | 19 | 19 | 19 | 19 | 19 | - | - | - | - | - | - | - | |
| 90B5/B14 | 130 | 95 | 165 | 115 | 200 | 140 | 8 | 27.3 | 5 | 24 | 24 | 24 | 24 | 24 | 24 | 24 | 24 | 24 | - | - | - | - | - | - | - | - | - | - | |
| 075 | 63B5 | 95 | - | 115 | - | 140 | - | 4 | 12.8 | 5 | - | - | - | - | - | - | - | - | - | - | - | - | 11 | 11 | 11 | 11 | 11 | 11 | 11 |
| 71B5 | 110 | - | 130 | - | 160 | - | 5 | 16.3 | 5 | - | - | - | - | - | - | - | 14 | 14 | 14 | 14 | 14 | 14 | 14 | 14 | 14 | 14 | 14 | 14 | |
| 80B5/B14 | 130 | 80 | 165 | 100 | 200 | 120 | 6 | 21.8 | 5 | - | - | - | 19 | 19 | 19 | 19 | 19 | 19 | 19 | 19 | 19 | 19 | 19 | 19 | 19 | - | - | - | |
| 90B5/B14 | 130 | 95 | 165 | 115 | 200 | 140 | 8 | 27.3 | 5 | 24 | 24 | 24 | 24 | 24 | 24 | 24 | 24 | 24 | 24 | 24 | 24 | - | - | - | - | - | - | - | |
| 100B5/B14 | 180 | 110 | 215 | 130 | 250 | 160 | 8 | 31.3 | 5.5 | 28 | 28 | 28 | 28 | 28 | 28 | 28 | 28 | - | - | - | - | - | - | - | - | - | - | - | |
| 112B5/B14 | 180 | 110 | 215 | 130 | 250 | 160 | 8 | 31.3 | 5.5 | 28 | 28 | 28 | 28 | 28 | 28 | - | - | - | - | - | - | - | - | - | - | - | - | - | |
| 090 | 63B5 | 95 | - | 115 | - | 140 | - | 4 | 12.8 | 5 | - | - | - | - | - | - | - | - | - | - | - | - | 11 | 11 | 11 | 11 | 11 | 11 | 11 |
| 71B5 | 110 | - | 130 | - | 160 | - | 5 | 16.3 | 5 | - | - | - | - | - | - | - | - | 14 | 14 | 14 | 14 | 14 | 14 | 14 | 14 | 14 | 14 | 14 | |
| 80B5/B14 | 130 | 80 | 165 | 100 | 200 | 120 | 6 | 21.8 | 5 | - | - | - | 19 | 19 | 19 | 19 | 19 | 19 | 19 | 19 | 19 | 19 | 19 | 19 | 19 | 19 | 19 | - | |
| 90B5/B14 | 130 | 95 | 165 | 115 | 200 | 140 | 8 | 27.3 | 5 | 24 | 24 | 24 | 24 | 24 | 24 | 24 | 24 | 24 | 24 | 24 | 24 | - | - | - | - | - | - | - | |
| 100B5/B14 | 180 | 110 | 215 | 130 | 250 | 160 | 8 | 31.3 | 5.5 | 28 | 28 | 28 | 28 | 28 | 28 | 28 | 28 | 28 | 28 | - | - | - | - | - | - | - | - | - | |
| 112B5/B14 | 180 | 110 | 215 | 130 | 250 | 160 | 8 | 31.3 | 5.5 | 28 | 28 | 28 | 28 | 28 | 28 | 28 | 28 | - | - | - | - | - | - | - | - | - | - | - | |
| 110 | 71B5 | 110 | - | 130 | - | 160 | - | 5 | 16.3 | 6 | - | - | - | - | - | - | - | - | - | - | - | - | 14 | 14 | 14 | 14 | 14 | 14 | 14 |
| 80B5 | 130 | - | 165 | - | 200 | - | 6 | 21.8 | 6 | - | - | - | - | - | - | - | 19 | 19 | 19 | 19 | 19 | 19 | 19 | 19 | 19 | 19 | 19 | 19 | |
| 90B5 | 130 | - | 165 | - | 200 | - | 8 | 27.3 | 6 | - | - | - | 24 | 24 | 24 | 24 | 24 | 24 | 24 | 24 | 24 | 24 | 24 | 24 | 24 | - | - | - | |
| 100B5/B14 | 180 | 110 | 215 | 130 | 250 | 160 | 8 | 31.3 | 6 | 28 | 28 | 28 | 28 | 28 | 28 | 28 | 28 | 28 | 28 | 28 | 28 | - | - | - | - | - | - | - | |
| 112B5/B14 | 180 | 110 | 215 | 130 | 250 | 160 | 8 | 31.3 | 6 | 28 | 28 | 28 | 28 | 28 | 28 | 28 | 28 | 28 | 28 | 28 | 28 | - | - | - | - | - | - | - | |
| 132B5 | 230 | - | 265 | - | 300 | - | 10 | 41.3 | 6 | 38 | 38 | 38 | 38 | 38 | 38 | 38 | 38 | 38 | - | - | - | - | - | - | - | - | - | - | |
Выходные валы
|
|
|||||||||
|
KM |
dh6 |
B |
B1 |
G1 |
L |
L1 |
f |
b1 |
t1 |
|---|---|---|---|---|---|---|---|---|---|
| 050 | 25 | 50 | 53.5 | 92 | 153 | 199 | M10*27 | 8 | 28 |
| 063 | 25 | 50 | 53.5 | 112 | 173 | 219 | M10*27 | 8 | 28 |
| 075 | 28 | 60 | 63.5 | 120 | 192 | 247 | M10*27 | 8 | 31 |
| 090 | 35 | 80 | 84.5 | 140 | 234 | 309 | M12*34 | 10 | 38 |
| 110 | 42 | 80 | 84.5 | 155 | 249 | 324 | M16*42 | 12 | 45 |
Cтопорный кронштейн
|
|
KM | K1 | G | KG | KH | R |
|---|---|---|---|---|---|---|
| 050 | 100 | 14 | 38.5 | 10 | 18 | |
| 063 | 150 | 14 | 49 | 10 | 18 | |
| 075 | 200 | 25 | 47.5 | 20 | 30 | |
| 090 | 200 | 25 | 57.5 | 20 | 30 | |
| 110 | 250 | 30 | 62 | 25 | 35 |
Крышка
|
|
KM | M |
|---|---|---|
| 050 | 58 | |
| 063 | 69 | |
| 075 | 74 | |
| 090 | 86 | |
| 110 | 94 |
Монтажные позиции
Схема позиции фланца выходного вала

Позиция схема одинарного выходного вала

Применяемые символы и обозначения
| Символ | Обозначение |
![]() |
Воздушный клапан |
![]() |
Пробка |
![]() |
Пробка для слива масла |
Положение клеммной коробки двигателя

КМ.. / Монтажные позиции и направления вращения


Компания "Приводная механика" предлагает цилиндро-гипоидные мотор-редукторы серия КМ со складов в Липецке, Ярославле, Казани, Воронеже, Астрахани, а так же в Республике Крым, Ижевске и Челябинске. Лучшая складская программа, много позиций имеется в наличии, лучшие условия при доставке под заказ. Вы можете купить цилиндро-гипоидные мотор-редукторы серия КМ с доставкой в любой регион через транспортную компанию на выбор. В компании "Приводная механика" всегда низкие цены на конические редукторы. Наши специалисты окажут профессиональную консультацию и помогут подобрать необходимое оборудование.








