Вариаторы UDL
Мощность: 0,18 до 7,5 кВт;
Изменяемый диапазон: i=об/мин max -об/мин min
Реверсивное движение;
Двусторонняя установка рукоятки управления;
Проскальзывание не более 5%;
Чувствительность регулировки – 0,5 об/мин;
Высокий КПД…
ЗВОНИТЕ! В НАЛИЧИИ, СКЛАД.
Вариатор - механическая передача, позволяющая, бесступенчато изменять частоту вращения вала приблизительно в диапазоне 1:6.
Принцип его действия основан на изменении передаточного отношения между входным и выходным валом вариатора. Изменение передаточного отношения может производиться различными способами. Например, за счет изменения радиусов качения обоих колёс,при неизменном диаметре промежуточного элемента и т.п. При этом мощность, передаваемая от ведущего вала к ведомому (за исключением потерь на трение), сохраняется Р=М n=const. To есть, при уменьшении частоты вращения выходного вала момент на нем увеличивается. Регулирование частоты вращения осуществляется вниз относительно номинального значения. С помощью вариаторов, оснащенных планетарной передачей, можно получить частоты вращения, начиная с 0 об/мин и заканчивая почти номинальными оборотами двигателя. Частота вращения вала двигателя остается неизменной во всем диапазоне изменения частоты вращения выходного вала вариатора. Передаточное отношение вариатора может изменяться как вручную, так и автоматически с помощью дополнительного пневмо - или электропривода. Последние два способа достаточно дороги и используются в последнее время довольно редко.

| n1 | P1 | Тип | n2 max |
n2 min |
M2 min |
M2 max |
% |
°C |
| 1400 | ||||||||
| 0.18KW/4P | UDL002 | 880 | 170 | 1.5 | 3 | 3-3.8 | 46 | |
| 0.25KW/4P | UDL005 | 1000 | 170 | 2 | 6 | 3-8.8 | 46 | |
| 0.37KW/4P | UDL005 | 1000 | 170 | 3 | 6 | 3-8.8 | 46 | |
| 0.55KW/4P | UDL010 | 1000 | 170 | 4.4 | 12 | 3-8.8 | 46 | |
| 0.75KW/4P | UDL010 | 1000 | 170 | 6 | 12 | 3-8.8 | 46 | |
| 1.1KW/4P | UDL020 | 950 | 165 | 9 | 18 | 3-8.8 | 46 | |
| 1.5KW/4P | UDL020 | 950 | 165 | 12 | 24 | 3-8.8 | 46 | |
| 2.2KW/4P | UDL030 | 1000 | 200 | 18 | 36 | 3-8.8 | 46 | |
| 3KW/4P | UDL030/050 | 1000 | 200 | 24 | 48 | 3-8.8 | 46 | |
| 4KW/4P | UDL050 | 1000 | 200 | 32 | 64 | 3-8.8 | 46 | |
| 5.5KW/4P | UDL100 | 1000 | 200 | 45 | 90 | 3-8.8 | 50 | |
| 7.5KW/4P | UD100 | 1000 | 200 | 59 | 118 | 3-8.8 | 50 | |

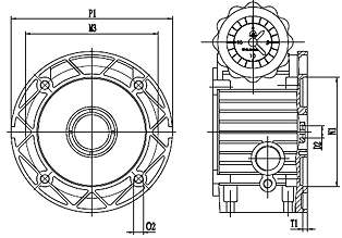
| PAM | P1 | N1(H8) | M3 | O2 | D2(F7) | T1 | |
| IEC | |||||||
| UDL0.18 | 63B5 | 140 | 95 | 115 | M8 | 11 | 5 |
| UDL0.25/0.37 | 71B5 | 160 | 110 | 130 | M8 | 14 | 5 |
| UDL0.55 | 80B5 | 200 | 130 | 165 | M10 | 19 | 6 |
| UDL0.75 | 90B5 | 200 | 130 | 165 | M10 | 24 | 6 |
| UD1.1/1.5 | 90B5 | 200 | 130 | 165 | M10 | 24 | 6 |
| UD2.2 | 100B5 | 250 | 180 | 215 | M12 | 28 | 6 |
| UD3.0/4.0 | 100/11B5 | ||||||
| UD5.5 | 132B5 | 300 | 230 | 265 | M12 | 38 | 6 |
| UD7.5 |
Компания "Приводная механика" предлагает вариаторы UDL со складов в Липецке, Ярославле, Казани, Воронеже, Астрахани, а так же в Республике Крым, Ижевске и Челябинске. Лучшая складская программа, много позиций имеется в наличии, лучшие условия при доставке под заказ. Вы можете купить вариаторы UDL с доставкой в любой регион через транспортную компанию на выбор. В компании "Приводная механика" всегда низкие цены на вариаторы и мотор-вариаторы. Наши специалисты окажут профессиональную консультацию и помогут подобрать необходимое оборудование.
