Выбор дискового затвора
Выбор дискового затвора.
Выбор подходящего дискового затвора для сыпучих материалов часто становится непростой задачей для руководителей производств, инженеров и технических специалистов.
Не секрет, что на выбор затвора наиболее сильно влияют физические свойства продукта, который будет проходить через затвор в открытом состоянии и удерживаться в закрытом. Продукт определяет материал, из которого будет изготовлен поворотный диск и внутренняя поверхность затвора. Так, например, для пищевых продуктов используют затворы, элементы которых изготовлены из нержавеющих сталей и специальных полимеров, химически инертных к подаваемому продукту. Для работы в условиях повышенной запыленности необходимо использовать затворы специального взрывобезопасного исполнения.
Вторым по важности фактором является рабочее давление материала. Для дисковых поворотных затворов, используемых с сухими сыпучими продуктами, давление обычно не превышает 0,2 атм., поскольку на продукт действуют только силы тяжести. Если предполагаемое давление превышает это значение, следует рассматривать поворотные дисковые затворы с чугунным корпусом.
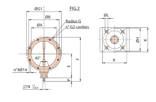
Геометрические параметры также являются важным критерием выбора. Основным из них является условный диаметр проходного сечения дискового затвора (ДУ, DN), который выбирается из нормализованного размерного ряда: ДУ100, ДУ150, ДУ200, ДУ250, ДУ300, ДУ350 и ДУ400 мм. В соответствии с выходной горловиной бункера (силоса) подбирается наиболее подходящая форма монтажных фланцев.
Остается определиться с желаемым типом привода, который будет управлять работой дискового затвора.
ЗАДАТЬ ВОПРОС ИЛИ ЗАКАЗАТЬ
ЗВОНИТЕ! В НАЛИЧИИ, СКЛАД.
Мы свяжемся с вами для уточнения формы оплаты и способа доставки заказа
ЗВОНИТЕ! В НАЛИЧИИ, СКЛАД.
| Тип SVA | A | B | E | F | Radius G | G1 | G2 | PN | ND | H | K | L | M | N | P | Вес |
|---|---|---|---|---|---|---|---|---|---|---|---|---|---|---|---|---|
| 100A2 | 100 | 180 | 152 | 255 | / | / | / | PN10 | ND10 | 50 | 60 | 7 | 35 | 14 | 14 | 5 |
| 150A2 | 150 | 200 | 177 | 307 | 9 | 225 | 4 | PN6 | ND6 | 70 | 75 | 9 | 55 | 17 | 16 | 5,5 |
| 200A2 | 200 | 250 | 202 | 356 | 9 | 280 | 4 | PN6 | ND6 | 70 | 75 | 9 | 55 | 17 | 16 | 7,5 |
| 250A2 | 250 | 300 | 227 | 406 | 9 | 335 | 6 | PN6 | ND6 | 70 | 75 | 9 | 55 | 17 | 16 | 8,5 |
| 300A2 | 300 | 350 | 252 | 456 | 11 | 395 | 6 | PN6 | ND6 | 70 | 75 | 9 | 55 | 17 | 16 | 11,5 |
| 350A2 | 350 | 400 | 289 | 534 | 11 | 445 | 6 | PN6 | ND6 | 102 | 105 | 11 | 70 | 22 | 25 | 20 |
| 400A2 | 400 | 470 | 314 | 604 | 12,5 | 515 | 4 | PN10 | ND10 | 102 | 105 | 11 | 70 | 22 | 25 | 23 |
Компания "Приводная механика" предлагает выбор дискового затвора со складов в Липецке, Ярославле, Казани, Воронеже, Астрахани, а так же в Республике Крым, Ижевске и Челябинске. Лучшая складская программа, много позиций имеется в наличии, лучшие условия при доставке под заказ. Вы можете купить выбор дискового затвора с доставкой в любой регион через транспортную компанию на выбор. В компании "Приводная механика" всегда низкие цены на затворы. Наши специалисты окажут профессиональную консультацию и помогут подобрать необходимое оборудование.
