Затвор дисковый поворотный
Поворотный дисковый затвор (дисковая заслонка) широко применяется в качестве элемента запорной арматуры при перевалке и дозировании сыпучих материалов в различных отраслях промышленности. Простота конструкции, высокая надежность и ремонтопригодность являются отличительными чертами дисковых затворов.
Корпус дискового затвора изготавливается по технологии литья под давлением из алюминия, что позволяет значительно снизить вес изделия и избежать образования кратеров, пустот и каверн, которые могут привести к разрушению корпуса в процессе работы или монтажа. Корпус имеет форму кольца и состоит из двух частей, как минимум одна из которых оснащена крепежным фланцем для установки затвора в нижней части бункера или силоса. Вторая часть корпуса может иметь патрубок для крепления гофрированной трубой или быть симметричной первой и также иметь крепежный фланец. В специальной канавке корпуса устанавливается уплотнение из эластомера, которое получает предварительное напряжение при сборке половинок корпуса. Уплотнение позволяет обеспечивать надёжное, герметичное прилегание к поворотному диску.
ЗАДАТЬ ВОПРОС ИЛИ ЗАКАЗАТЬ
ЗВОНИТЕ! В НАЛИЧИИ, СКЛАД.
Мы свяжемся с вами для уточнения формы оплаты и способа доставки заказа
ЗВОНИТЕ! В НАЛИЧИИ, СКЛАД.
На боковых поверхностях корпуса затвора выполнены отверстия, через которые устанавливаются две полуоси, на которых крепится сменная пластина поворотного диска. В зависимости от физических свойств истекающего материала, поворотный диск затвора может быть изготовлен из различных материалов. Для отсекания потока цемента, затвор оснащают диском из технического полимера, тогда как для высокоабразивных материалов, таких как песок, принято использование чугунных дисков. В пищевой промышленности конструкция поворотного затвора имеет несколько иное исполнение: внутренняя поверхность алюминиевого корпуса облицовывается техническим полимером, а поворотный диск изготавливается из нержавеющей стали. В данном случае уплотнительная прокладка присутствует в виде специального кольца на поворотном диске затвора.
Дисковый затвор может иметь ручной, пневматический или электромеханический привод для открытия (закрытия). В случае использования механизированного привода рекомендуется предусмотреть ручное дублирование для экстренного срабатывания, если отсутствует электроэнергия или происходит сбой в работе управляющей аппаратуры. Специальное исполнение дисковых затворов позволяет им функционировать во взрывоопасных средах.
Затворы дисковые поворотные широко применяются в строительной промышленности, например, на цементных силосах перед винтовыми конвейерами (шнеками), на дозаторах в качестве клапана разгрузки и т.д. Широкое применение дисковых затворов в пищевой и химической промышленности способствуют их малые габариты, возможностью установки автоматического привода и датчиков крайних положений поворотного диска, а также химически инертным исполнением корпусных деталей.
Дисковый затвор может иметь ручной, пневматический или электромеханический привод для открытия (закрытия). В случае использования механизированного привода рекомендуется предусмотреть ручное дублирование для экстренного срабатывания, если отсутствует электроэнергия или происходит сбой в работе управляющей аппаратуры. Специальное исполнение дисковых затворов позволяет им функционировать во взрывоопасных средах.
Затворы дисковые поворотные широко применяются в строительной промышленности, например, на цементных силосах перед винтовыми конвейерами (шнеками), на дозаторах в качестве клапана разгрузки и т.д. Широкое применение дисковых затворов в пищевой и химической промышленности способствуют их малые габариты, возможностью установки автоматического привода и датчиков крайних положений поворотного диска, а также химически инертным исполнением корпусных деталей.
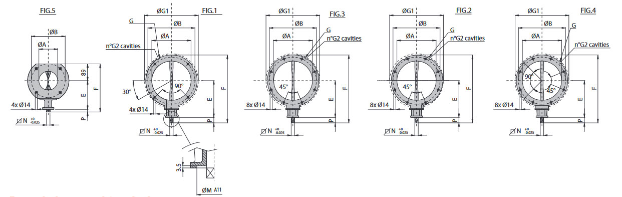
| Тип | Дюйм | mm | FIG. | ISO | A | B | C | G | G1 | G2 | PN | NG | H | K | L | M | N | P | E | F | кг | E | F | кг |
|---|---|---|---|---|---|---|---|---|---|---|---|---|---|---|---|---|---|---|---|---|---|---|---|---|
| SVAH100.2 | 4'' | 100 | 5 | F05 | 100 | 180 | 200 | / | / | / | 10 | 10 | 50 | 60 | 7 | 35 | 14 | 14 | 152 | 255 | 5 | 306 | 409 | 6,3 |
| SVAH150.2 | 6'' | 150 | 1 | F07 | 150 | 200 | 228 | 9 | 225 | 4 | 6 | 6 | 70 | 75 | 9 | 55 | 17 | 16 | 177 | 307 | 5,5 | 331 | 461 | 6,8 |
| SVAH200.2 | 8'' | 200 | 1 | F07 | 200 | 250 | 278 | 9 | 280 | 4 | 6 | 6 | 70 | 75 | 9 | 55 | 17 | 16 | 202 | 356 | 7,5 | 356 | 510 | 8,8 |
| SVAH250.2 | 10'' | 250 | 2 | F07 | 250 | 300 | 328 | 9 | 335 | 6 | 6 | 6 | 70 | 75 | 9 | 55 | 17 | 16 | 227 | 406 | 8,5 | 381 | 560 | 9,8 |
| SVAH300.2 | 12'' | 300 | 2 | F07 | 300 | 350 | 378 | 11 | 395 | 6 | 6 | 6 | 70 | 75 | 9 | 55 | 17 | 16 | 252 | 456 | 11,5 | 406 | 610 | 12,8 |
| SVAH350.2 | 14'' | 350 | 3 | F10 | 350 | 400 | 440 | 11 | 445 | 6 | 6 | 6 | 102 | 105 | 11 | 70 | 22 | 25 | 289 | 534 | 20 | 489 | 735 | 21,8 |
| SVAH400.2 | 16'' | 400 | 4 | F10 | 400 | 470 | 530 | 12,5 | 515 | 4 | 10 | 10 | 102 | 105 | 11 | 70 | 22 | 25 | 314 | 604 | 23 | 514 | 804 | 24,8 |
Компания "Приводная механика" предлагает затвор дисковый поворотный со складов в Липецке, Ярославле, Казани, Воронеже, Астрахани, а так же в Республике Крым, Ижевске и Челябинске. Лучшая складская программа, много позиций имеется в наличии, лучшие условия при доставке под заказ. Вы можете купить затвор дисковый поворотный с доставкой в любой регион через транспортную компанию на выбор. В компании "Приводная механика" всегда низкие цены на затворы. Наши специалисты окажут профессиональную консультацию и помогут подобрать необходимое оборудование.
